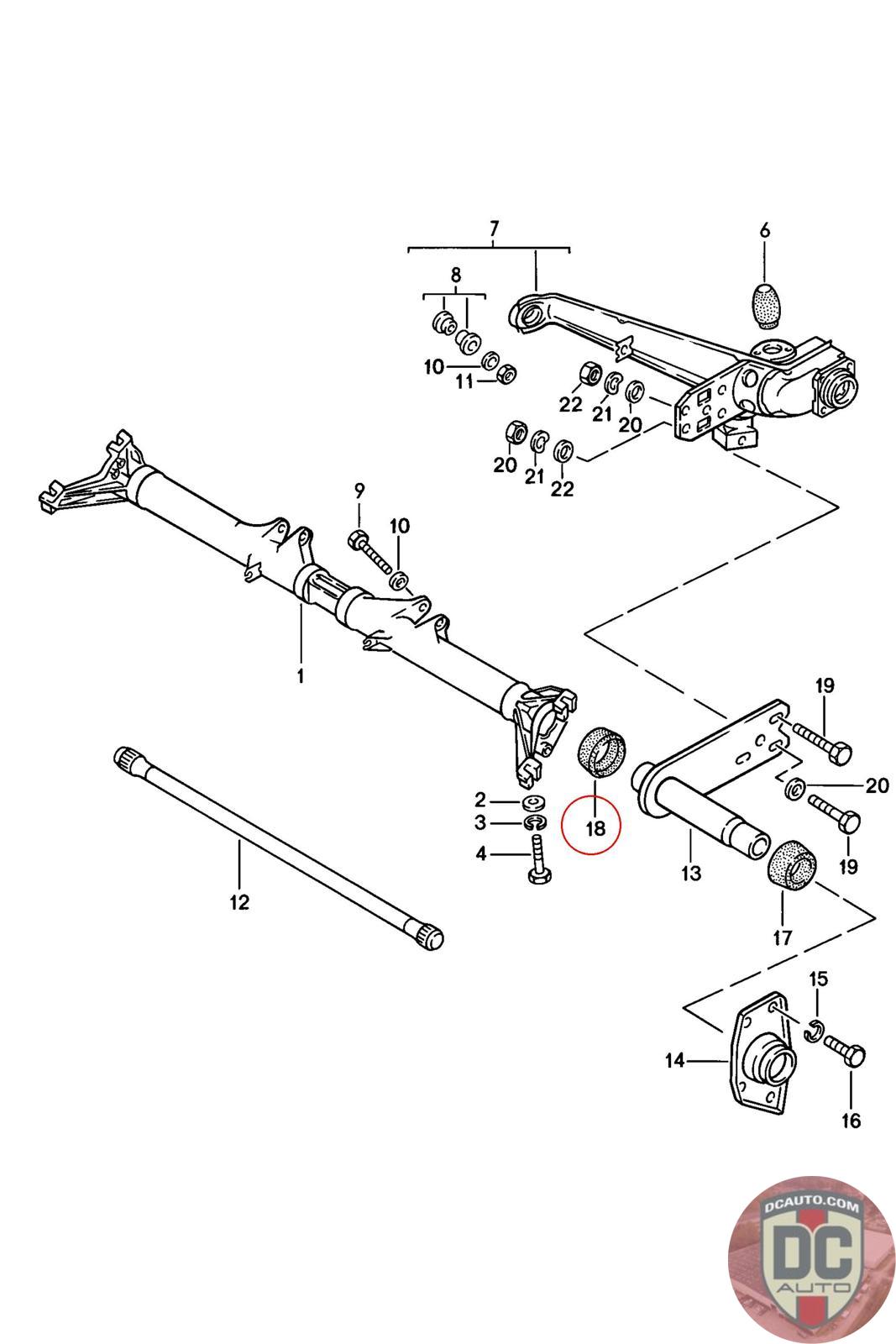
311511246
RUBBER MOUNT
311 511 246 [Left]
SELECT
PART NO
311511246
DESCRIPTION
Note this is a special order item, delivery estimate 1-2 weeks.
CONDITION
NEW - GENUINE PORSCHE
MANUFACTURER
-
PRICE
$7.97
QTY
Available: 999
311511246
Note this is a special order item, delivery estimate 1-2 weeks.
NEW - GENUINE PORSCHE
-
$
7.97
Available: 999