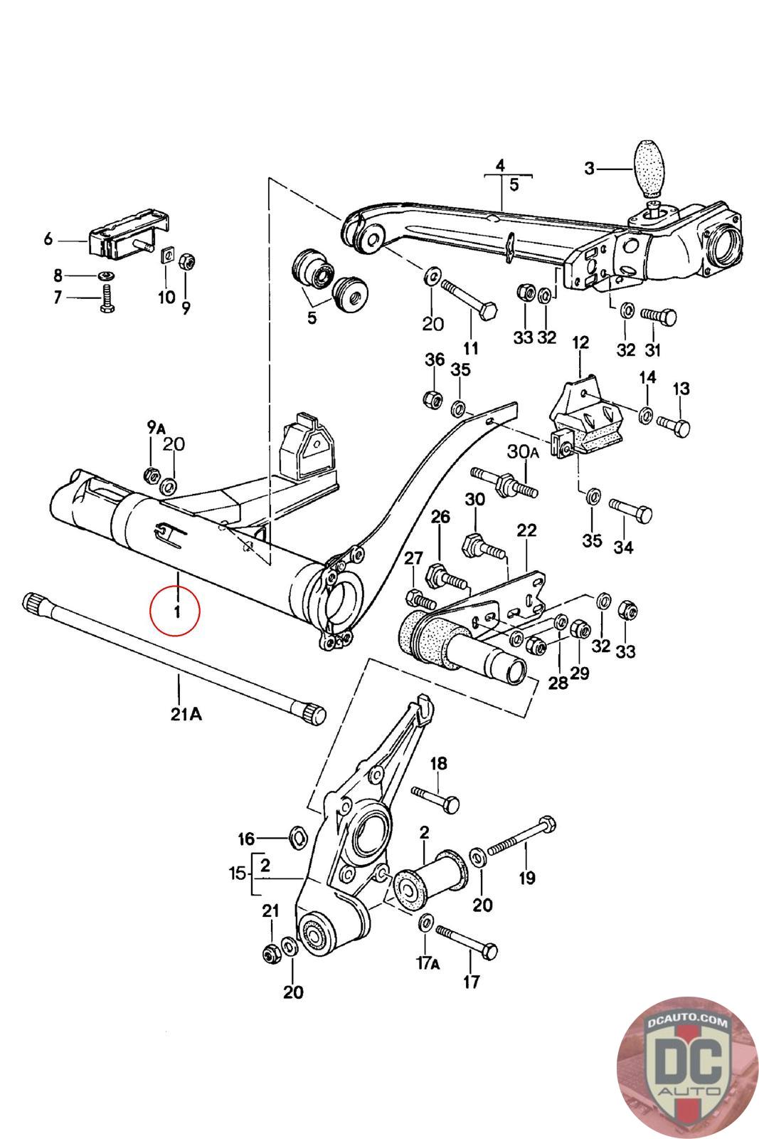
477500053E
REAR AXLE CARRIER
477500053E [5MT]
SELECT
SERIAL #
52661
DESCRIPTION
-
CONDITION
USED - X
MILEAGE
-
52661
-
USED - X
-