010321135
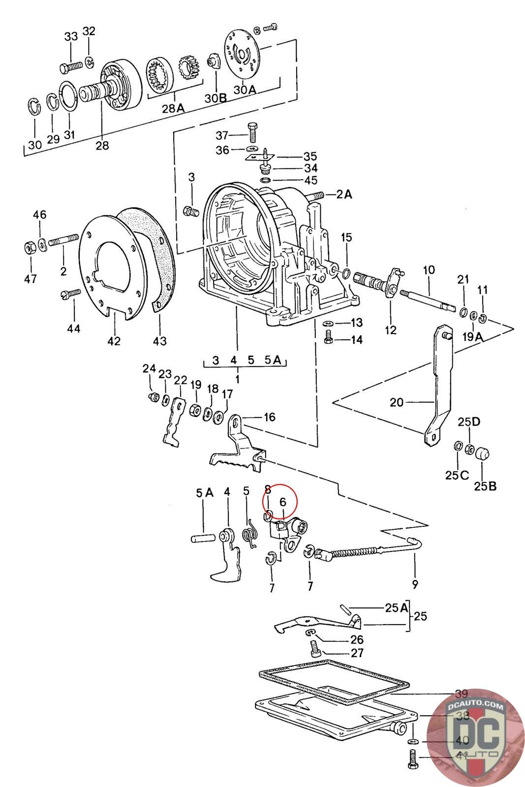
ENGAGING LEVER FOR PARKING LOCK
010 321 135
SELECT
SERIAL #
50286
DESCRIPTION
-
CONDITION
USED - X
MILEAGE
-
PRICE
$30.00
QTY
Available: 999
50286
-
USED - X
-
$
30.00
Available: 999