95111022301
HOSE, SUPERSEDED TO 95111022302
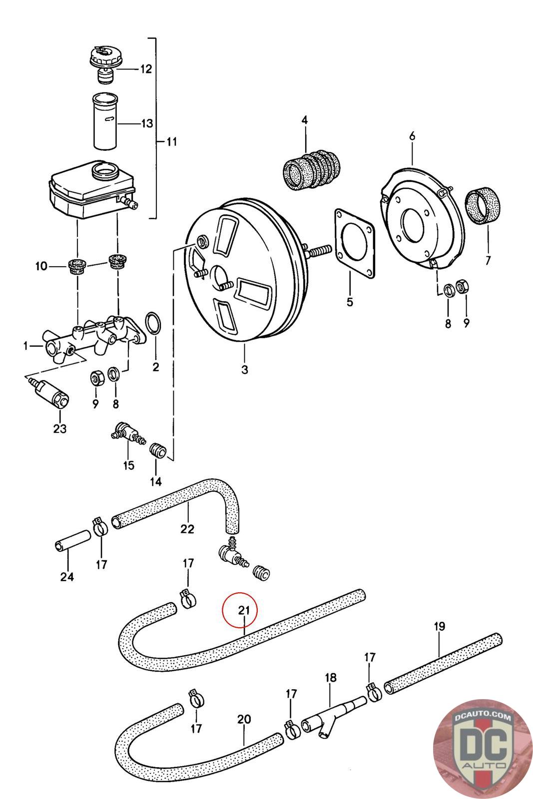
951 110 223 01 [Turbo]
SELECT
PART NO
95111022301
DESCRIPTION
Note this is a special order item, delivery estimate 1-2 weeks.
CONDITION
NEW - GENUINE PORSCHE
MANUFACTURER
-
PRICE
$120.97
QTY
Available: 999
95111022301
Note this is a special order item, delivery estimate 1-2 weeks.
NEW - GENUINE PORSCHE
-
$
120.97
Available: 999