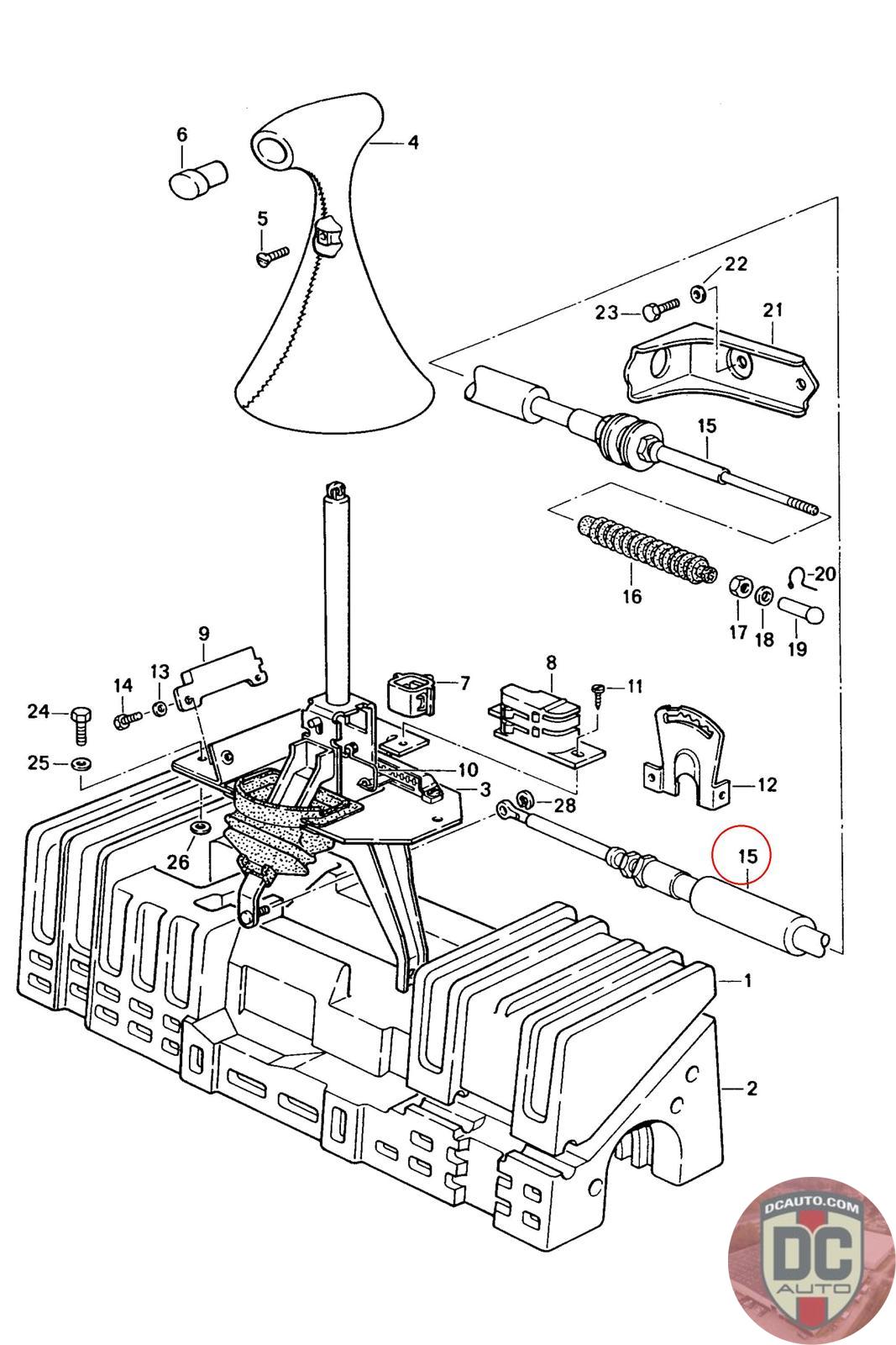
94442603303
CABLE
944 426 033 03
SELECT
SERIAL #
64595
DESCRIPTION
-
CONDITION
USED - X
MILEAGE
-
64595
-
USED - X
-