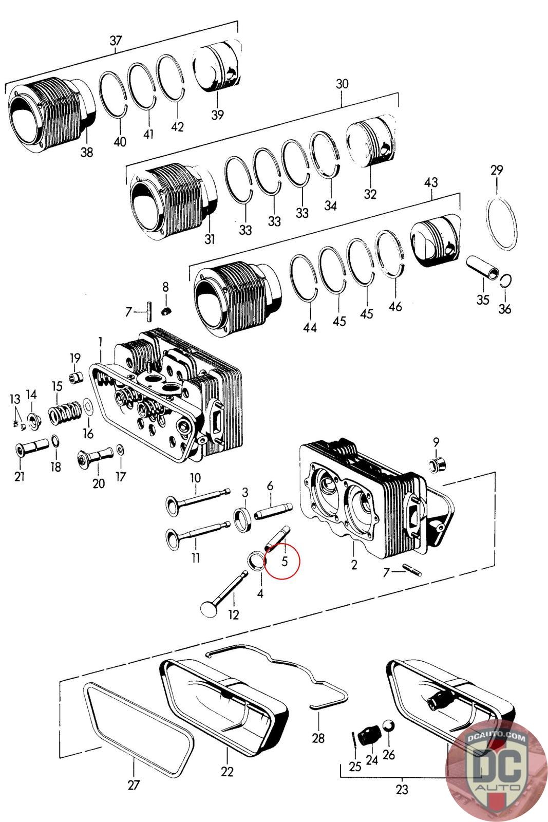
61610432150
VALVE GUIDE 1ST OVERSIZE INTAKE (5+6) 616 104 322 60 VALVE GUIDE X 2ND OVERSIZE INTAKE AND EXHAUST FOR - 1600 / S90- ONLY EXHAUST
616 104 321 50 [1600 S90]
SELECT
SERIAL #
53587
DESCRIPTION
-
CONDITION
USED - X
MILEAGE
-
PRICE
$25.46
$33.95
QTY
Available: 999
53587
-
USED - X
-
$
25.46
On Sale! $33.95
Available: 999