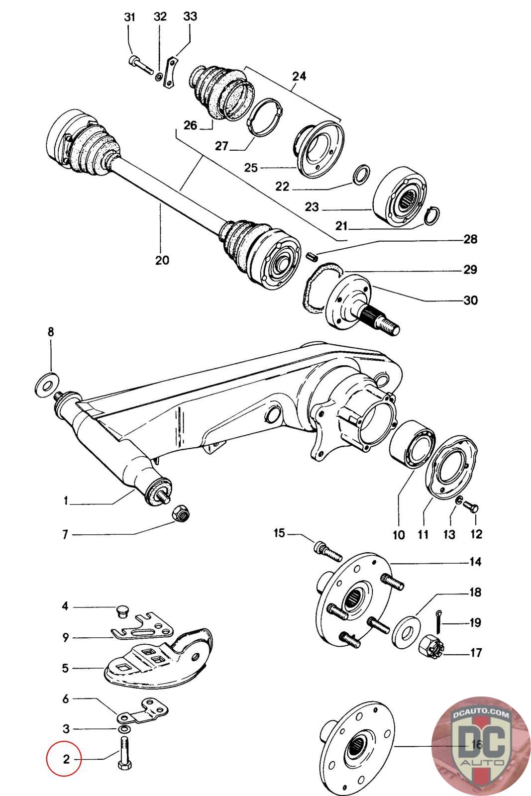
90007419201
HEXAGON-HEAD BOLT M10X55
900 074 192 01
SELECT
PART NO
90007419201
DESCRIPTION
Note this is a special order item, delivery estimate 1-2 weeks.
CONDITION
NEW - GENUINE PORSCHE
MANUFACTURER
-
PRICE
$1.97
OUT OF STOCK
90007419201
Note this is a special order item, delivery estimate 1-2 weeks.
NEW - GENUINE PORSCHE
-
$
1.97
Available: 0