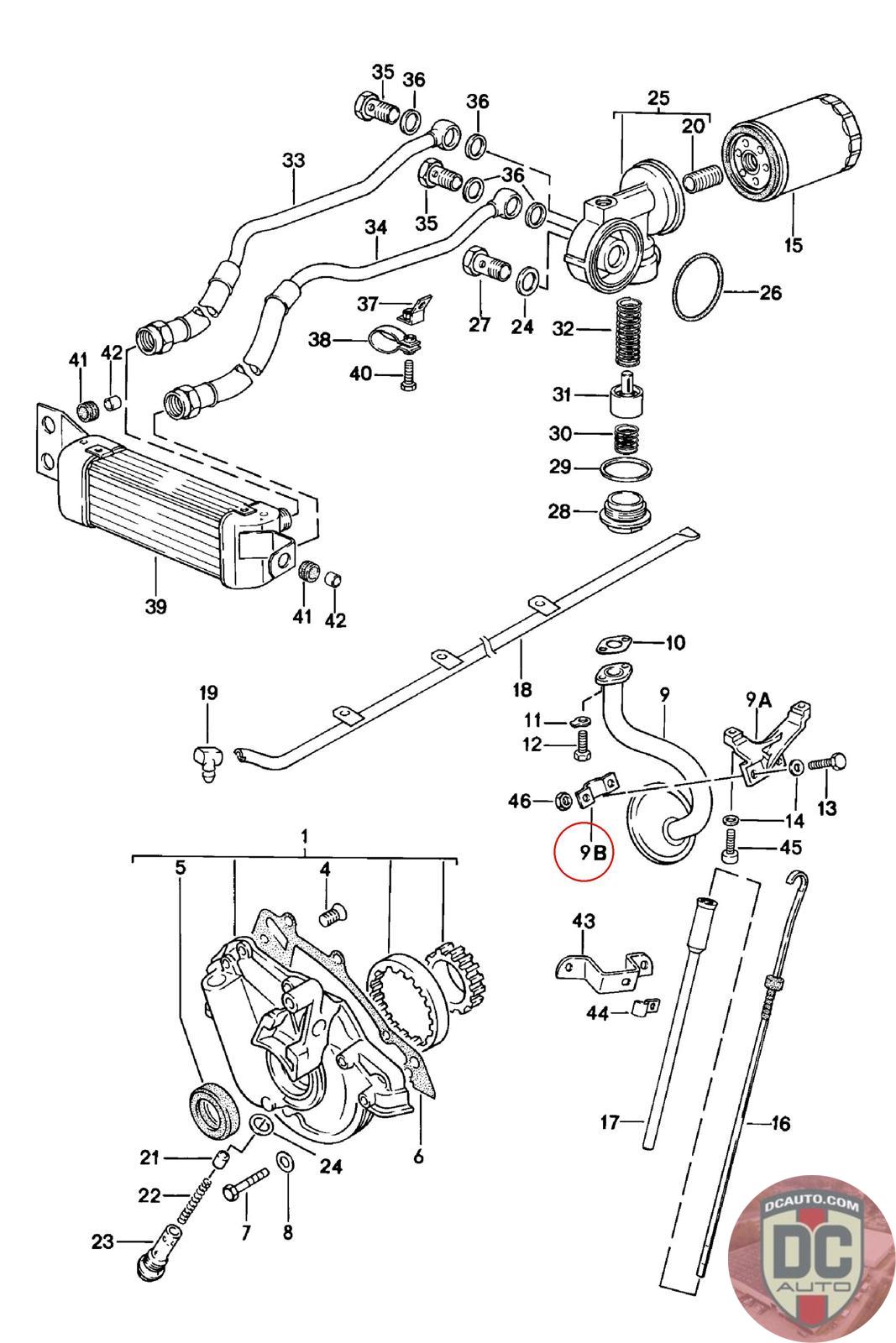
047115285
CLIP *
047 115 285
SELECT
SERIAL #
50455
DESCRIPTION
-
CONDITION
USED - X
MILEAGE
-
50455
-
USED - X
-