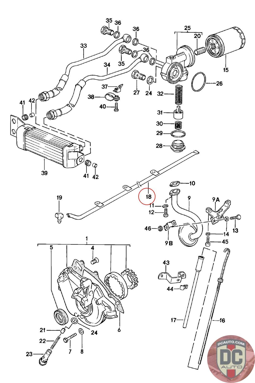
047115701
OIL SPLASH TUBE *
047 115 701
SELECT
SERIAL #
50459
DESCRIPTION
-
CONDITION
USED - X
MILEAGE
-
50459
-
USED - X
-