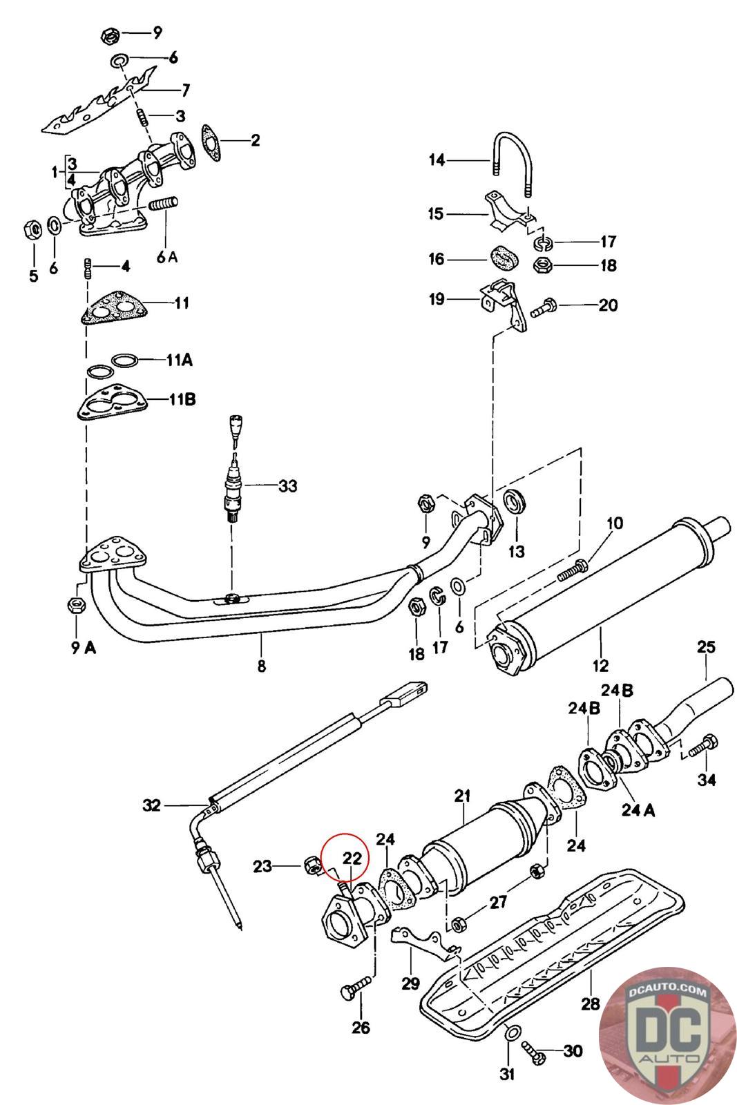
477253159
CONNECTION PIECE
477 253 159
SELECT
SERIAL #
50742
DESCRIPTION
-
CONDITION
USED - X
MILEAGE
-
PRICE
$15.00
$20.00
QTY
Available: 999
50742
-
USED - X
-
$
15.00
On Sale! $20.00
Available: 999