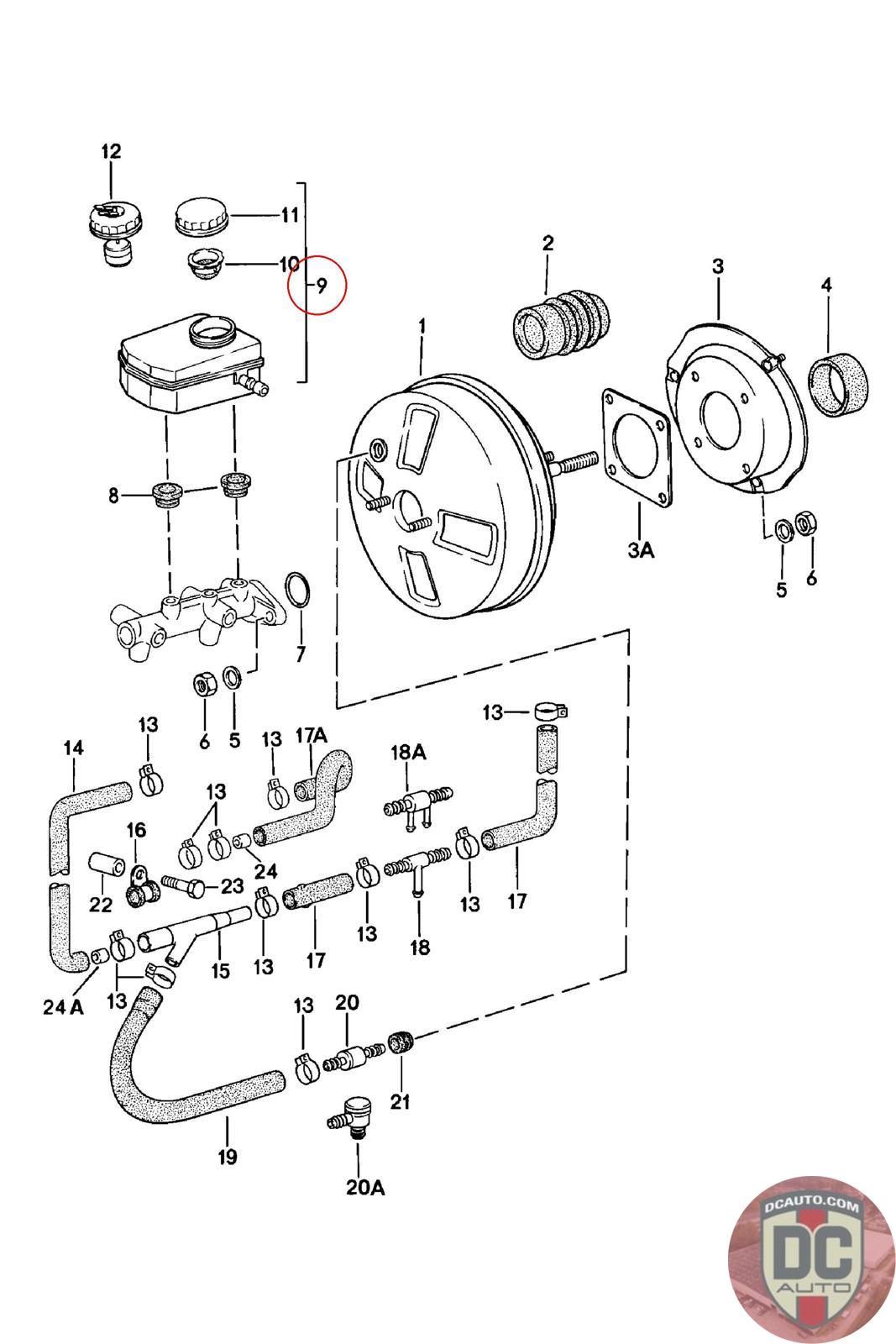
477611303
RESERVOIR, SUPERSEDED TO 477611303B
477 611 303 [924S]
SELECT
SERIAL #
50817
DESCRIPTION
-
CONDITION
USED - X
MILEAGE
-
PRICE
$35.00
QTY
Available: 999
50817
-
USED - X
-
$
35.00
Available: 999