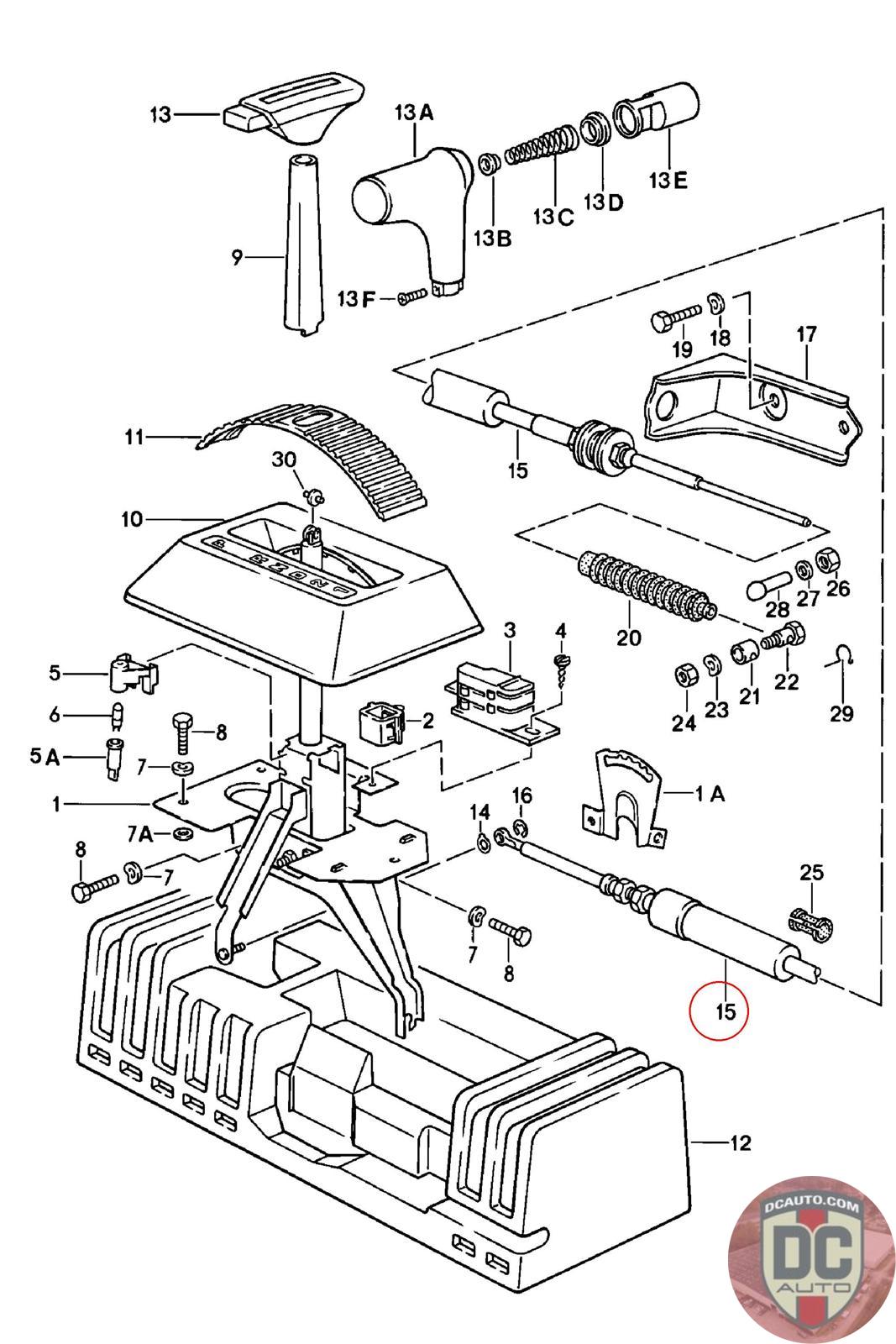
477713265A
CABLE
477713265A
SELECT
SERIAL #
52732
DESCRIPTION
-
CONDITION
USED - X
MILEAGE
-
PRICE
$45.00
QTY
Available: 999
52732
-
USED - X
-
$
45.00
Available: 999