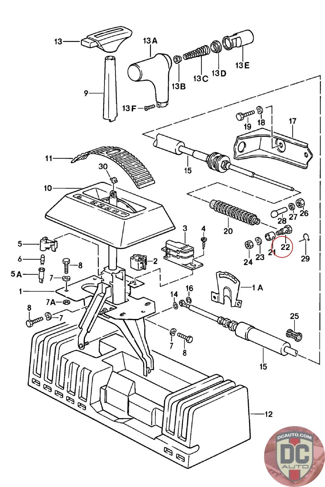
311713293
CLAMPING BOLT
311 713 293 [-1980]
SELECT
PART NO
311713293
DESCRIPTION
Note this is a special order item, delivery estimate 1-2 weeks.
CONDITION
NEW - GENUINE PORSCHE
MANUFACTURER
-
PRICE
$11.97
QTY
Available: 999
311713293
Note this is a special order item, delivery estimate 1-2 weeks.
NEW - GENUINE PORSCHE
-
$
11.97
Available: 999