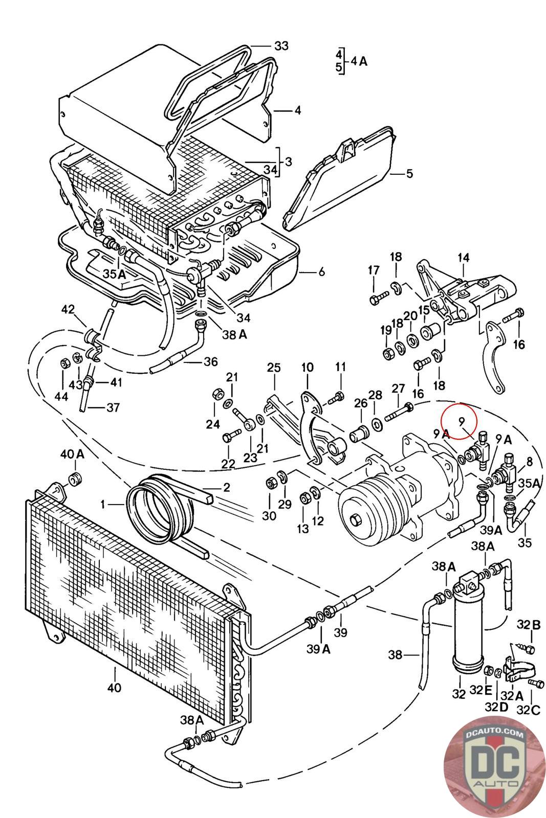
059260865A
PRESSURE VALVE *
059260865A
SELECT
SERIAL #
52174
DESCRIPTION
-
CONDITION
USED - X
MILEAGE
-
PRICE
$18.75
$25.00
QTY
Available: 999
52174
-
USED - X
-
$
18.75
On Sale! $25.00
Available: 999