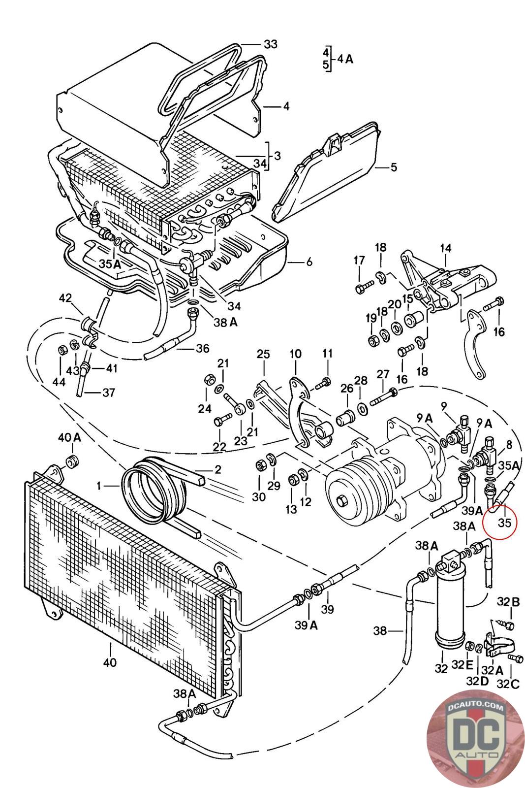
477820723
HOSE *
477 820 723
SELECT
SERIAL #
51003
DESCRIPTION
-
CONDITION
USED - X
MILEAGE
-
PRICE
$93.75
$125.00
QTY
Available: 999
51003
-
USED - X
-
$
93.75
On Sale! $125.00
Available: 999