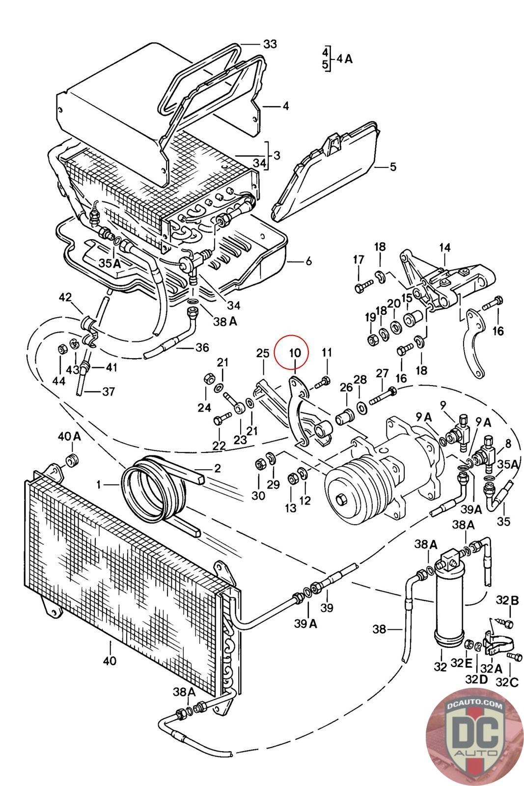
047260883A
COMPRESSOR BRACKET, FRONT *
047260883A [/V]
SELECT
SERIAL #
52150
DESCRIPTION
-
CONDITION
USED - X
MILEAGE
-
PRICE
$26.25
$35.00
QTY
Available: 999
52150
-
USED - X
-
$
26.25
On Sale! $35.00
Available: 999