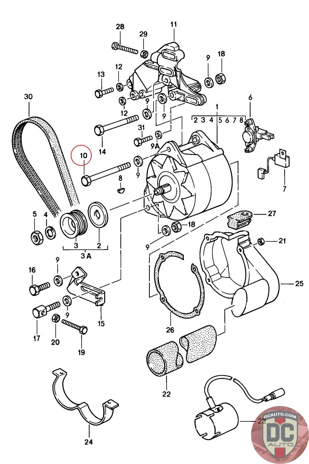
N0104944
HEXAGON-HEAD BOLT M 10X125, .
N 010 494 4 [M28.21 M28.22 M28.43 M28.44]
SELECT
PART NO
N0104944
DESCRIPTION
Note this is a special order item, delivery estimate 1-2 weeks.
CONDITION
NEW - GENUINE PORSCHE
MANUFACTURER
-
PRICE
$5.97
QTY
Available: 998
N0104944
Note this is a special order item, delivery estimate 1-2 weeks.
NEW - GENUINE PORSCHE
-
$
5.97
Available: 998