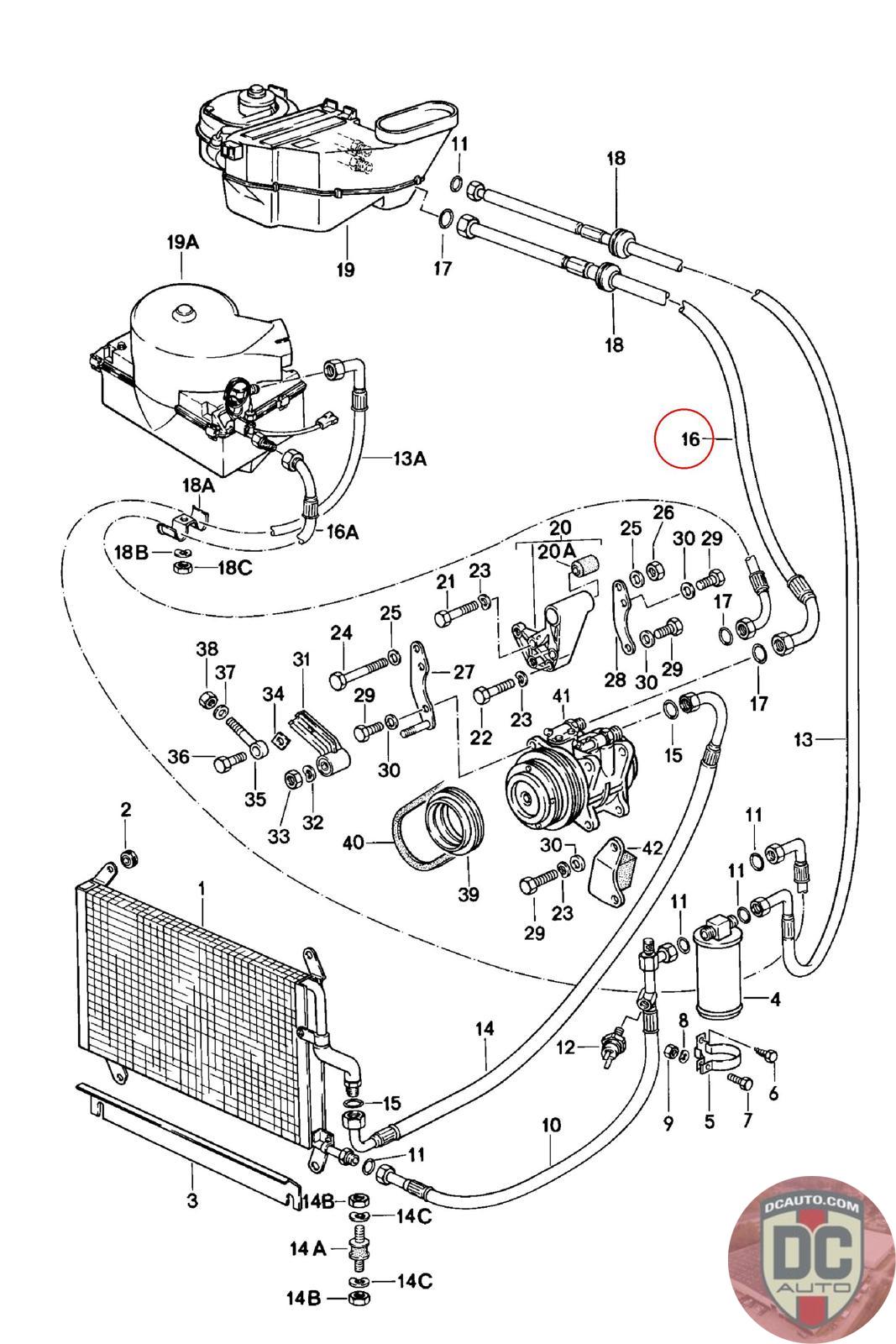
477820425
REFRIGERANT LINE *
477 820 425 [924]
SELECT
SERIAL #
50991
DESCRIPTION
-
CONDITION
USED - X
MILEAGE
-
PRICE
$125.00
QTY
Available: 999
50991
-
USED - X
-
$
125.00
Available: 999