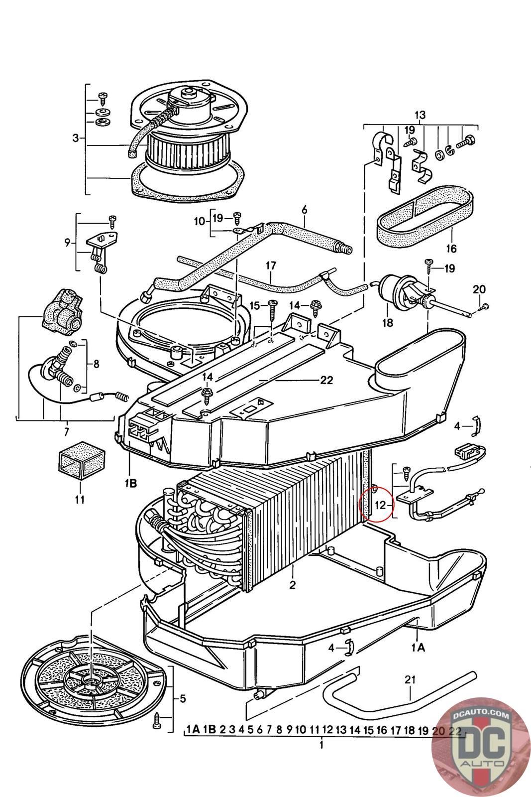
477820901
TEMPERATURE SENSOR *
477 820 901
SELECT
SERIAL #
51007
DESCRIPTION
-
CONDITION
USED - X
MILEAGE
-
PRICE
$15.00
$20.00
QTY
Available: 999
51007
-
USED - X
-
$
15.00
On Sale! $20.00
Available: 999