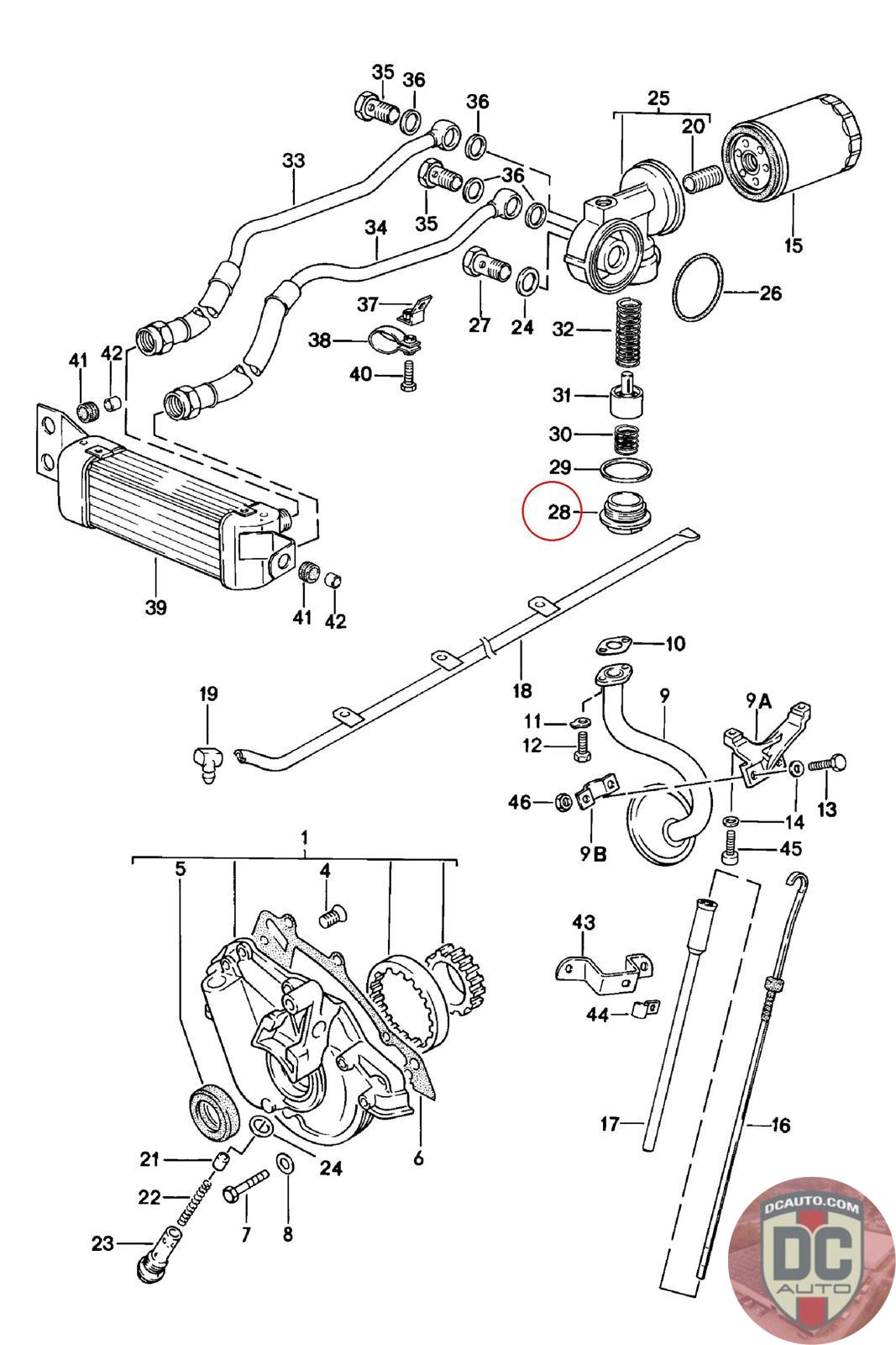
93110715200
SCREW PLUG *
931 107 152 00
SELECT
SERIAL #
63236
DESCRIPTION
-
CONDITION
USED - X
MILEAGE
-
63236
-
USED - X
-