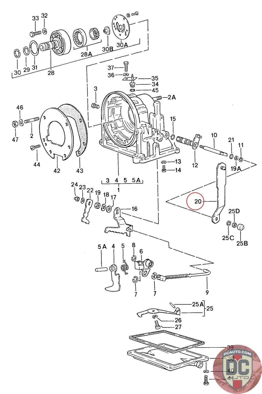
087321201D
LEVER FOR CABLE CONTROL
087321201D
SELECT
SERIAL #
52192
DESCRIPTION
-
CONDITION
USED - X
MILEAGE
-
PRICE
$48.75
$65.00
QTY
Available: 998
52192
-
USED - X
-
$
48.75
On Sale! $65.00
Available: 998