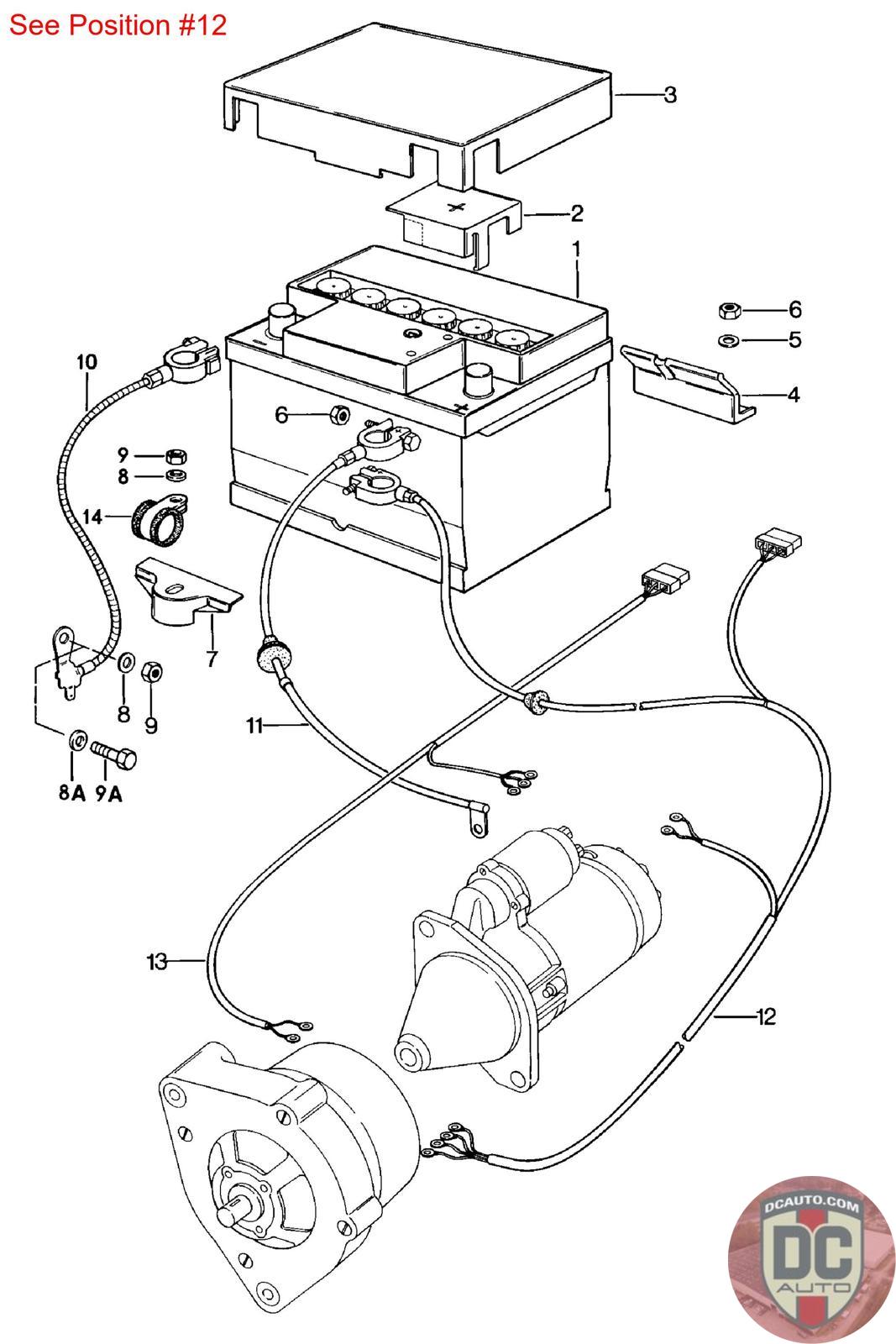
477971223B
LINE BATTERY STARTER GENERATOR *
477971223B [/LL 82-] [TURBO]
SELECT
SERIAL #
52959
DESCRIPTION
-
CONDITION
USED - X
MILEAGE
-
52959
-
USED - X
-