94433310300
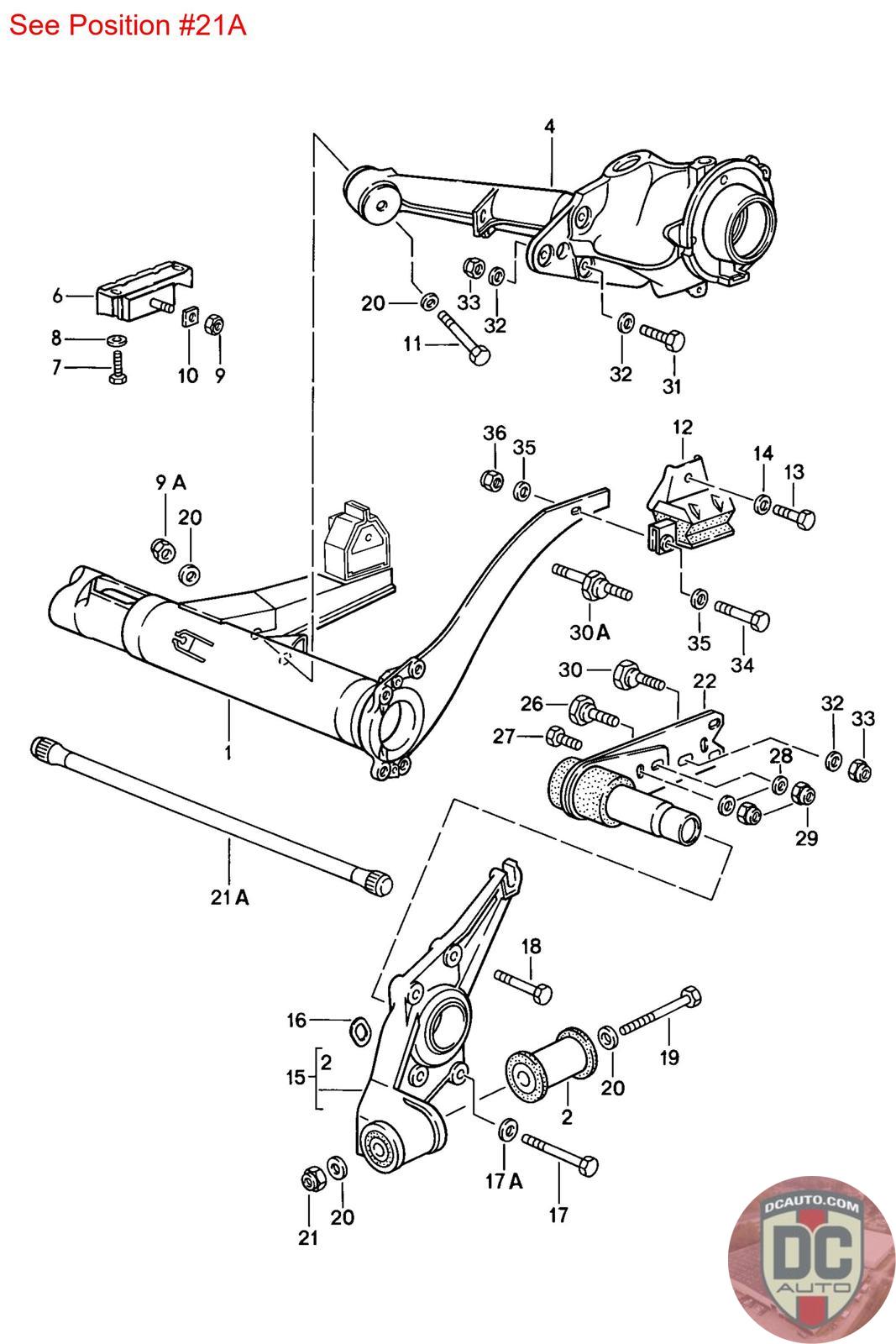
TORSION BAR 24.5MM
944 333 103 00 [Left, -1986] [M030]
SELECT
SERIAL #
107102
DESCRIPTION
Good used.
CONDITION
USED - A
MILEAGE
-
PRICE
$125.00
QTY
Available: 1
107102
Good used.
USED - A
-
$
125.00
Available: 1
SELECT
SERIAL #
64308
DESCRIPTION
.
CONDITION
USED - X
MILEAGE
-
PRICE
$125.00
QTY
Available: 998
64308
.
USED - X
-
$
125.00
Available: 998