94435501101
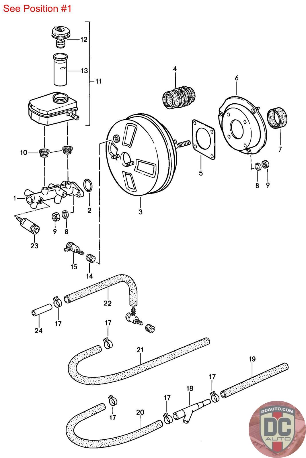
BRAKE MASTER CYLINDER - ATE
944 355 011 01 [-1986] [944/Turbo]
SELECT
SERIAL #
46664
DESCRIPTION
.
CONDITION
USED - X
MILEAGE
-
PRICE
$65.00
QTY
Available: 997
46664
.
USED - X
-
$
65.00
Available: 997