92810718200
PISTON, .
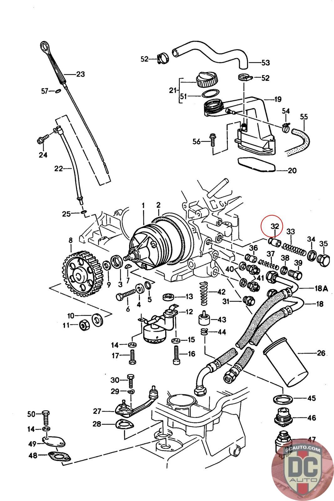
928 107 182 00 [-78]
SELECT
PART NO
92810718200
DESCRIPTION
Note this is a special order item, delivery estimate 1-2 weeks.
CONDITION
NEW - GENUINE PORSCHE
MANUFACTURER
-
PRICE
$14.97
QTY
Available: 999
92810718200
Note this is a special order item, delivery estimate 1-2 weeks.
NEW - GENUINE PORSCHE
-
$
14.97
Available: 999