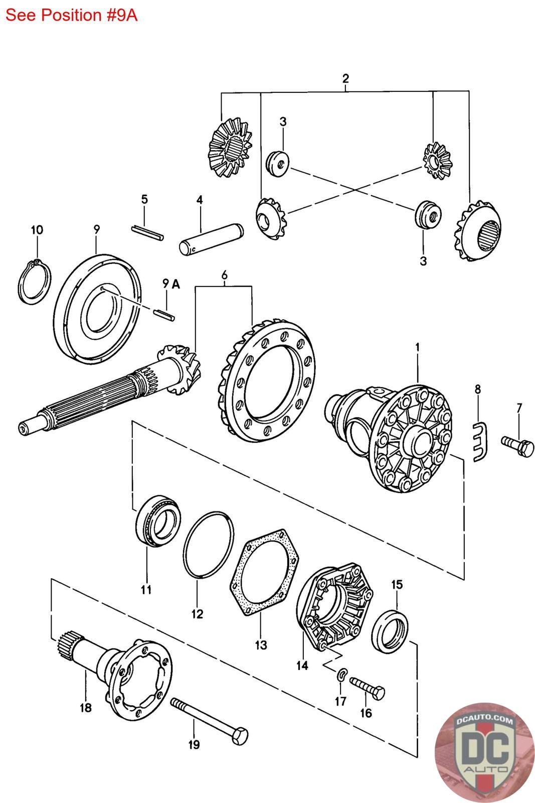
90030902000
ROLL PIN 5X20, SUPERSEDED TO N0432851
900 309 020 00
SELECT
PART NO
90030902000
DESCRIPTION
Note this is a special order item, delivery estimate 1-2 weeks.
CONDITION
NEW - GENUINE PORSCHE
MANUFACTURER
-
PRICE
$6.97
QTY
Available: 999
90030902000
Note this is a special order item, delivery estimate 1-2 weeks.
NEW - GENUINE PORSCHE
-
$
6.97
Available: 999