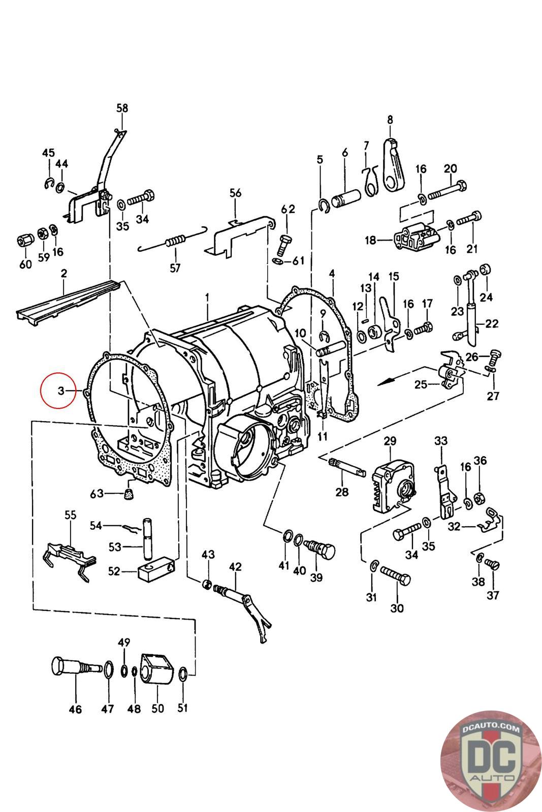
1152773380
GASKET
1152773380
SELECT
PART NO
1152773380
DESCRIPTION
Note this is a special order item, delivery estimate 1-2 weeks.
CONDITION
NEW - GENUINE PORSCHE
MANUFACTURER
-
PRICE
$11.97
QTY
Available: 999
1152773380
Note this is a special order item, delivery estimate 1-2 weeks.
NEW - GENUINE PORSCHE
-
$
11.97
Available: 999