1152780440
SUPPORT
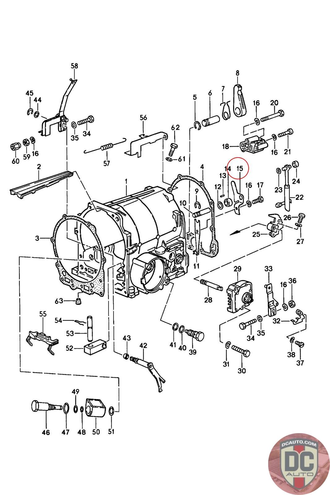
1152780440
SELECT
PART NO
1152780440
DESCRIPTION
Note this is a special order item, delivery estimate 1-2 weeks.
CONDITION
NEW - GENUINE PORSCHE
MANUFACTURER
-
PRICE
$3.97
QTY
Available: 999
1152780440
Note this is a special order item, delivery estimate 1-2 weeks.
NEW - GENUINE PORSCHE
-
$
3.97
Available: 999