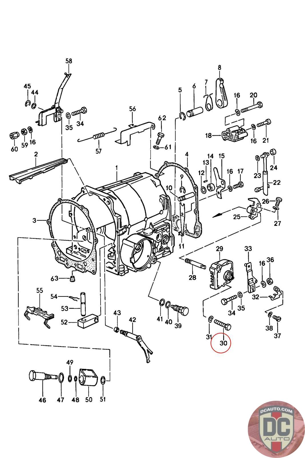
90007528702
HEXAGON-HEAD BOLT M6X28
900 075 287 02
SELECT
PART NO
90007528702
DESCRIPTION
Note this is a special order item, delivery estimate 1-2 weeks.
CONDITION
NEW - GENUINE PORSCHE
MANUFACTURER
-
PRICE
$5.97
QTY
Available: 999
90007528702
Note this is a special order item, delivery estimate 1-2 weeks.
NEW - GENUINE PORSCHE
-
$
5.97
Available: 999