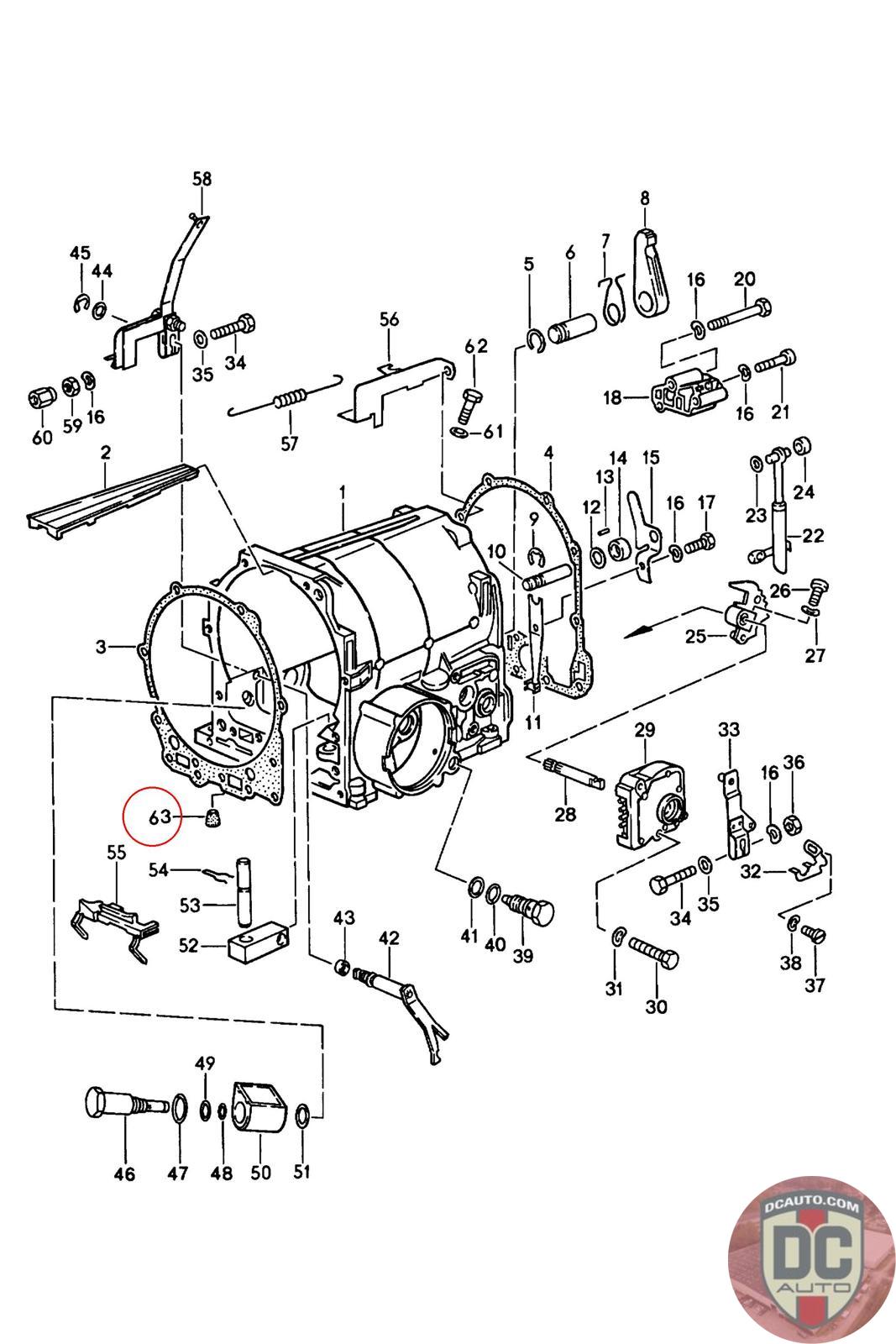
7222710050
RUBBER BUSH
7222710050
SELECT
PART NO
7222710050
DESCRIPTION
Note this is a special order item, delivery estimate 1-2 weeks.
CONDITION
NEW - GENUINE PORSCHE
MANUFACTURER
-
PRICE
$9.97
QTY
Available: 999
7222710050
Note this is a special order item, delivery estimate 1-2 weeks.
NEW - GENUINE PORSCHE
-
$
9.97
Available: 999