92834765902
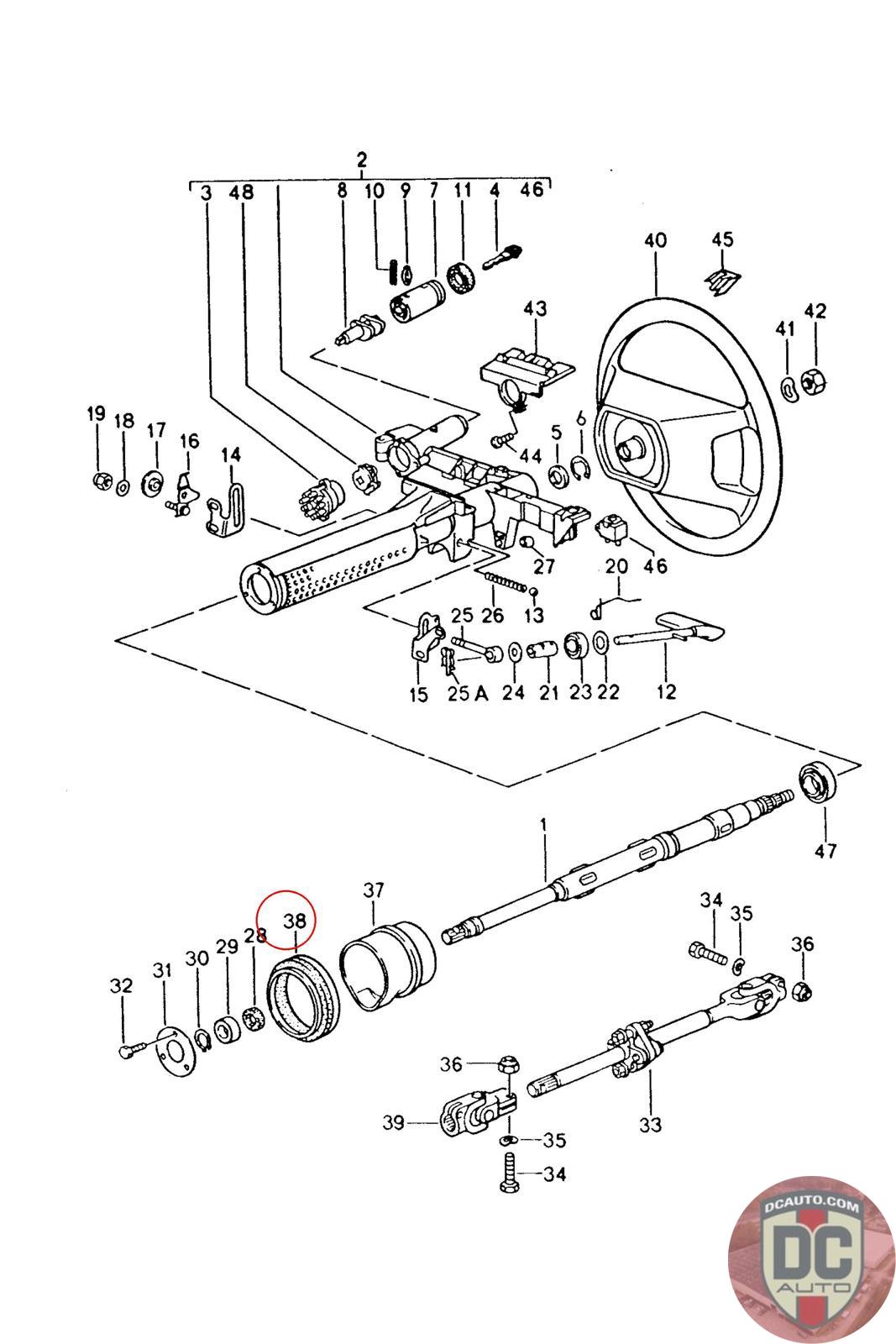
SEALING RING
928 347 659 02
SELECT
PART NO
92834765902
DESCRIPTION
Note this is a special order item, delivery estimate 1-2 weeks.
CONDITION
NEW - GENUINE PORSCHE
MANUFACTURER
-
92834765902
Note this is a special order item, delivery estimate 1-2 weeks.
NEW - GENUINE PORSCHE
-