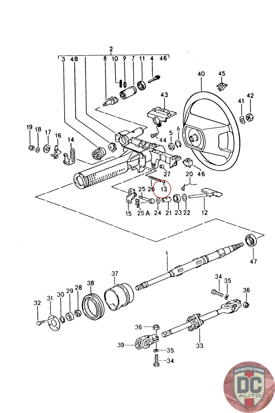
90010802000
BALL
900 108 020 00
SELECT
PART NO
90010802000
DESCRIPTION
Note this is a special order item, delivery estimate 1-2 weeks.
CONDITION
NEW - GENUINE PORSCHE
MANUFACTURER
-
PRICE
$1.97
QTY
Available: 998
90010802000
Note this is a special order item, delivery estimate 1-2 weeks.
NEW - GENUINE PORSCHE
-
$
1.97
Available: 998