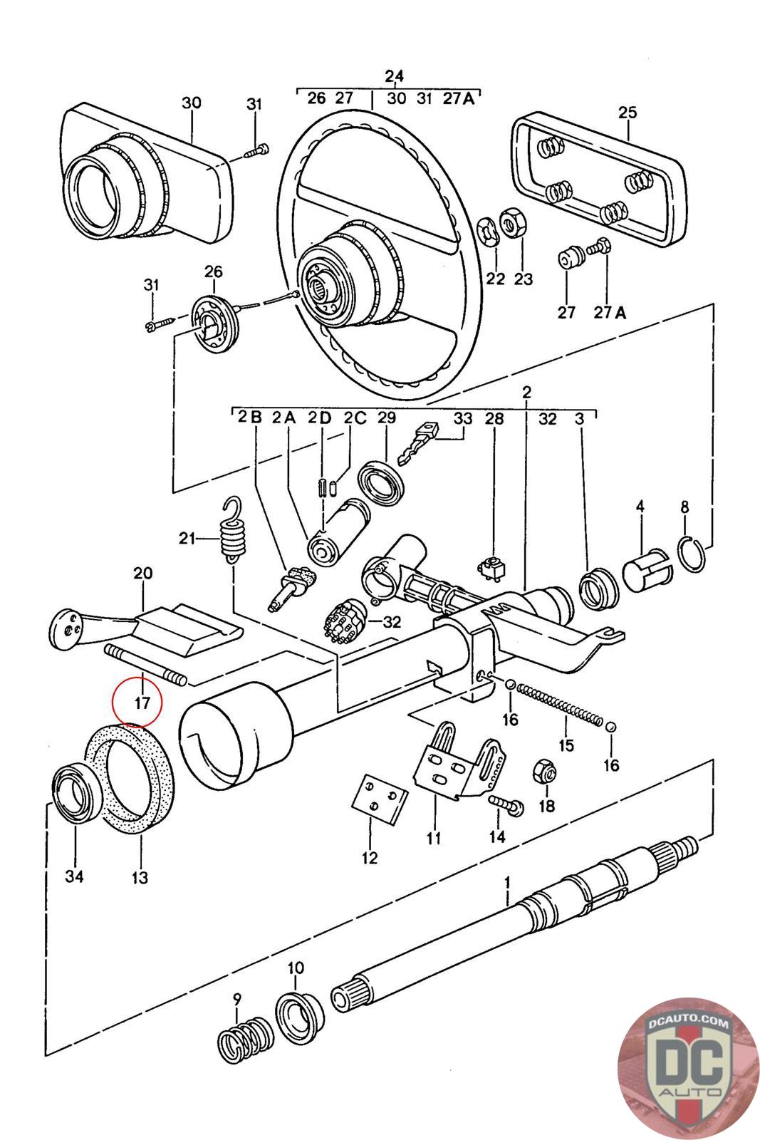
92834725902
THREADED BOLT
928 347 259 02
SELECT
PART NO
92834725902
DESCRIPTION
Note this is a special order item, delivery estimate 1-2 weeks.
CONDITION
NEW - GENUINE PORSCHE
MANUFACTURER
-
PRICE
$12.97
QTY
Available: 999
92834725902
Note this is a special order item, delivery estimate 1-2 weeks.
NEW - GENUINE PORSCHE
-
$
12.97
Available: 999