92834703302
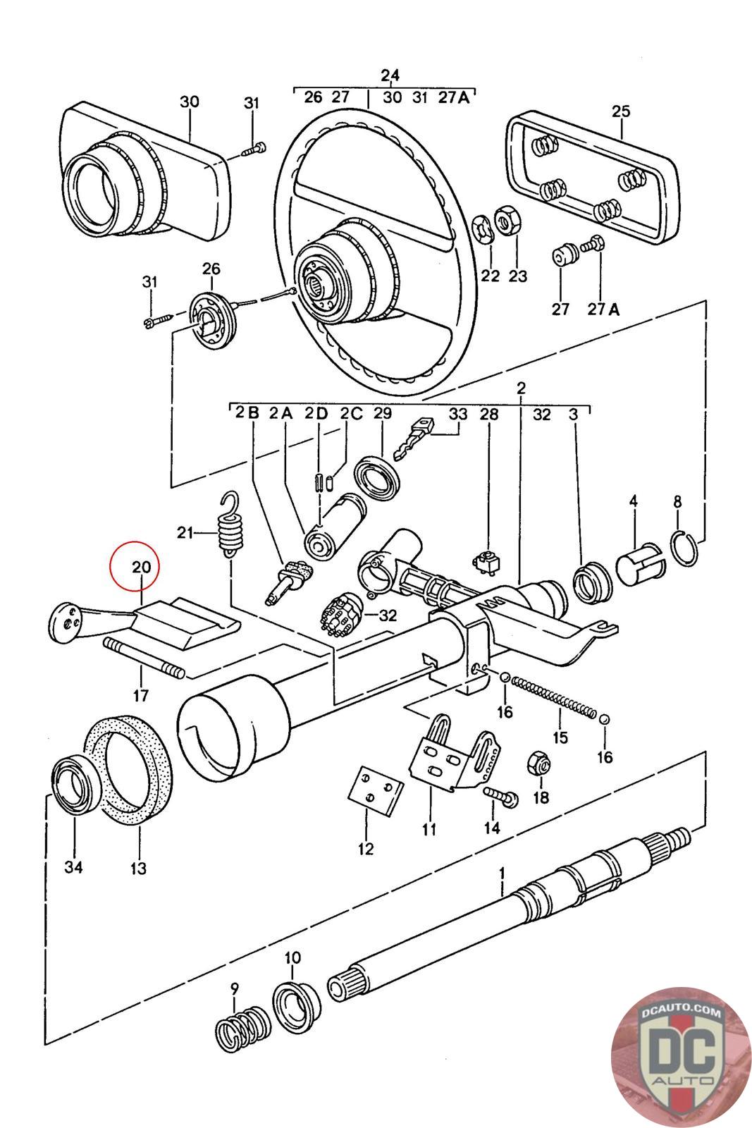
CONTROL LEVER
928 347 033 02
SELECT
SERIAL #
79110
DESCRIPTION
Good - Used
CONDITION
USED - A
MILEAGE
162411
79110
Good - Used
USED - A
162411
$
50.00
SEE MORE VEHICLE PHOTOS
Available: 1
SELECT
SERIAL #
61095
DESCRIPTION
-
CONDITION
USED - X
MILEAGE
-
PRICE
$50.00
QTY
Available: 999
61095
-
USED - X
-
$
50.00
Available: 999