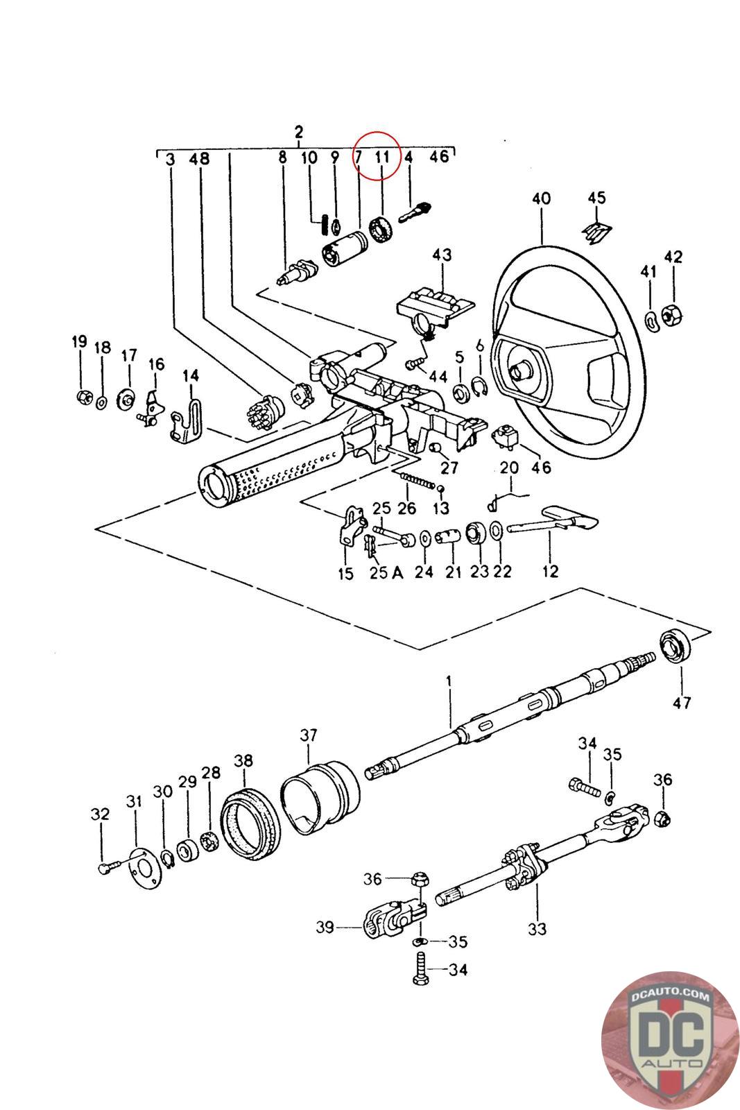
92834791300
RUBBER BOOT
928 347 913 00
SELECT
PART NO
92834791300
DESCRIPTION
Note this is a special order item, delivery estimate 1-2 weeks.
CONDITION
NEW - GENUINE PORSCHE
MANUFACTURER
-
PRICE
$4.97
QTY
Available: 999
92834791300
Note this is a special order item, delivery estimate 1-2 weeks.
NEW - GENUINE PORSCHE
-
$
4.97
Available: 999