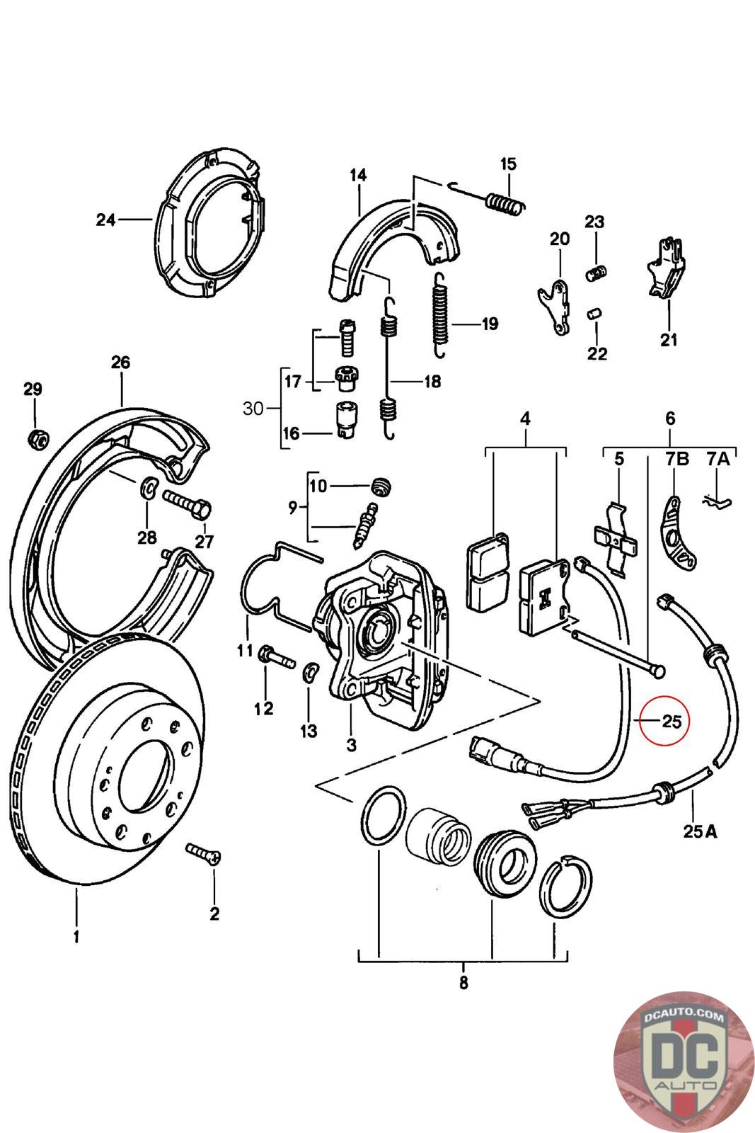
92861231300
BRAKE PAD SENSOR, SUPERSEDED TO 92861231303
928 612 313 00 [Till 92882 00642]
SELECT
PART NO
92861231300
DESCRIPTION
Note this is a special order item, delivery estimate 1-2 weeks.
CONDITION
NEW - GENUINE PORSCHE
MANUFACTURER
-
PRICE
$32.97
QTY
Available: 999
92861231300
Note this is a special order item, delivery estimate 1-2 weeks.
NEW - GENUINE PORSCHE
-
$
32.97
Available: 999