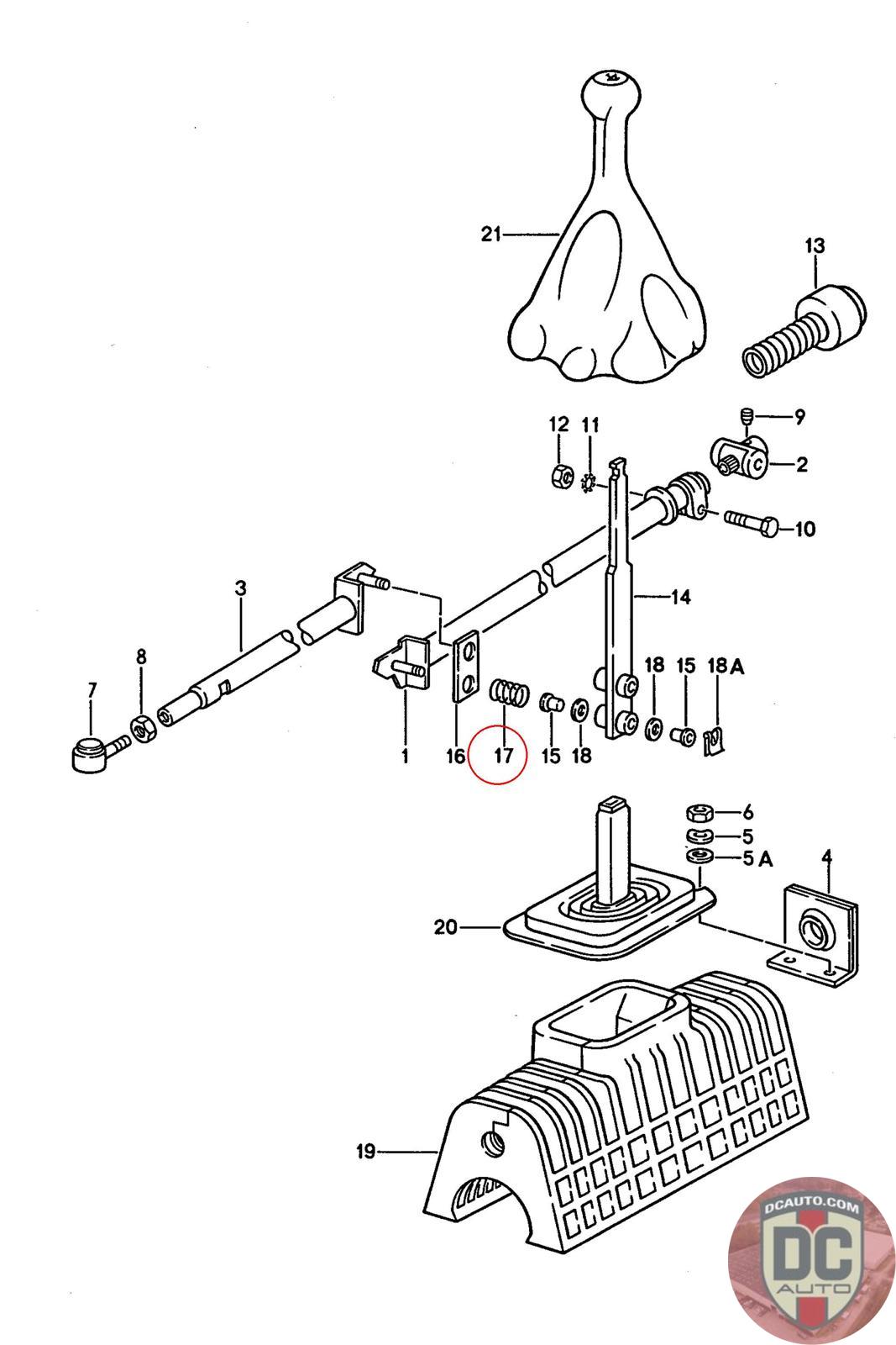
92842414703
COMPRESSION SPRING
928 424 147 03
SELECT
PART NO
92842414703
DESCRIPTION
NEW OEM-IN ORIGINAL PACKAGE
CONDITION
NEW - GENUINE PORSCHE
MANUFACTURER
-
92842414703
NEW OEM-IN ORIGINAL PACKAGE
NEW - GENUINE PORSCHE
-