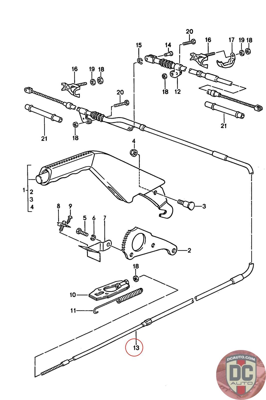
92842455216
PARKING-BRAKE CABLE LONG, SUPERSEDED TO 92842455217
928 424 552 16 [Right]
SELECT
SERIAL #
79978
DESCRIPTION
Good - Used
CONDITION
USED - A
MILEAGE
78104
79978
Good - Used
USED - A
78104
$
75.00
On Sale! $100.00
SEE MORE VEHICLE PHOTOS
Available: 1
SELECT
SERIAL #
79124
DESCRIPTION
Good - Used
CONDITION
USED - A
MILEAGE
162411
79124
Good - Used
USED - A
162411
$
75.00
On Sale! $100.00
SEE MORE VEHICLE PHOTOS
Available: 1
SELECT
SERIAL #
61301
DESCRIPTION
-
CONDITION
USED - X
MILEAGE
-
PRICE
$75.00
$100.00
QTY
Available: 999
61301
-
USED - X
-
$
75.00
On Sale! $100.00
Available: 999