92842404500
SUPPORT
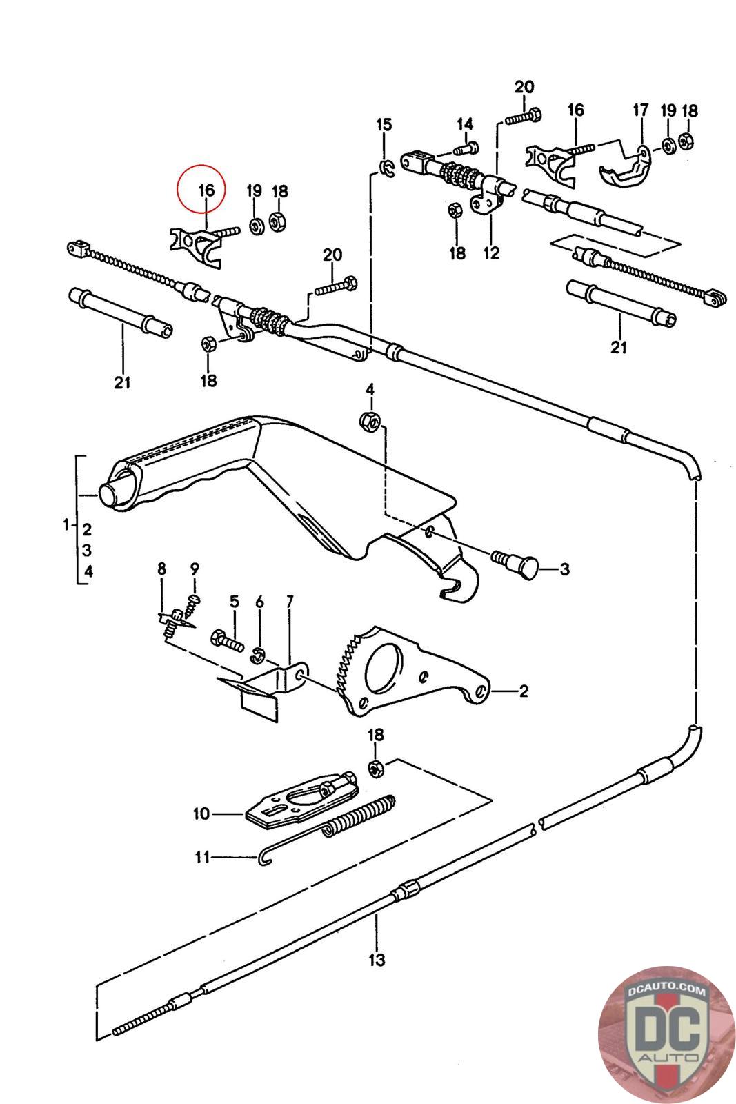
928 424 045 00 [1980-]
SELECT
PART NO
92842404500
DESCRIPTION
Note this is a special order item, delivery estimate 1-2 weeks.
CONDITION
NEW - GENUINE PORSCHE
MANUFACTURER
-
PRICE
$15.97
QTY
Available: 999
92842404500
Note this is a special order item, delivery estimate 1-2 weeks.
NEW - GENUINE PORSCHE
-
$
15.97
Available: 999