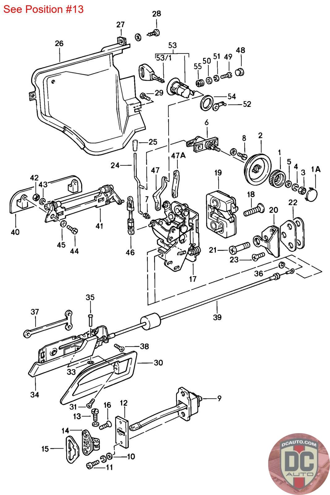
90030903102
ROLL PIN 6X16, .
900 309 031 02 [-79]
SELECT
PART NO
90030903102
DESCRIPTION
Note this is a special order item, delivery estimate 1-2 weeks.
CONDITION
NEW - GENUINE PORSCHE
MANUFACTURER
-
PRICE
$2.97
OUT OF STOCK
90030903102
Note this is a special order item, delivery estimate 1-2 weeks.
NEW - GENUINE PORSCHE
-
$
2.97
Available: 0