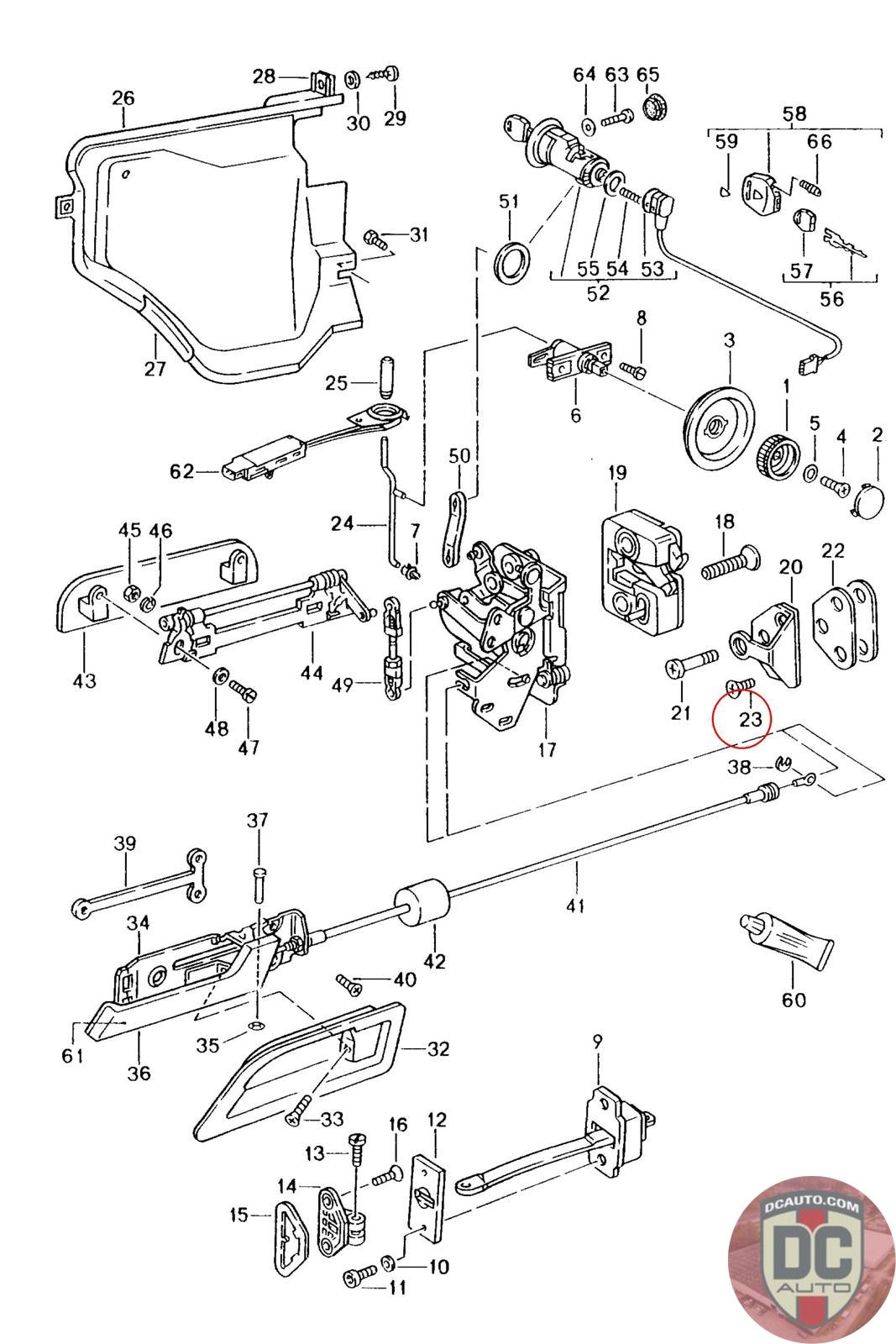
90024902400
SCREW 8 X 25, .
900 249 024 00
SELECT
PART NO
90024902400
DESCRIPTION
Note this is a special order item, delivery estimate 1-2 weeks.
CONDITION
NEW - GENUINE PORSCHE
MANUFACTURER
-
PRICE
$15.97
QTY
Available: 999
90024902400
Note this is a special order item, delivery estimate 1-2 weeks.
NEW - GENUINE PORSCHE
-
$
15.97
Available: 999