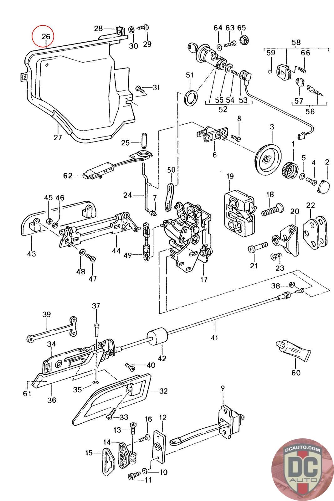
92853733303
COVERING FOR LOCK
928 537 333 03 [/L -88]
SELECT
SERIAL #
43015
DESCRIPTION
-
CONDITION
USED - X
MILEAGE
-
PRICE
$45.00
QTY
Available: 999
43015
-
USED - X
-
$
45.00
Available: 999