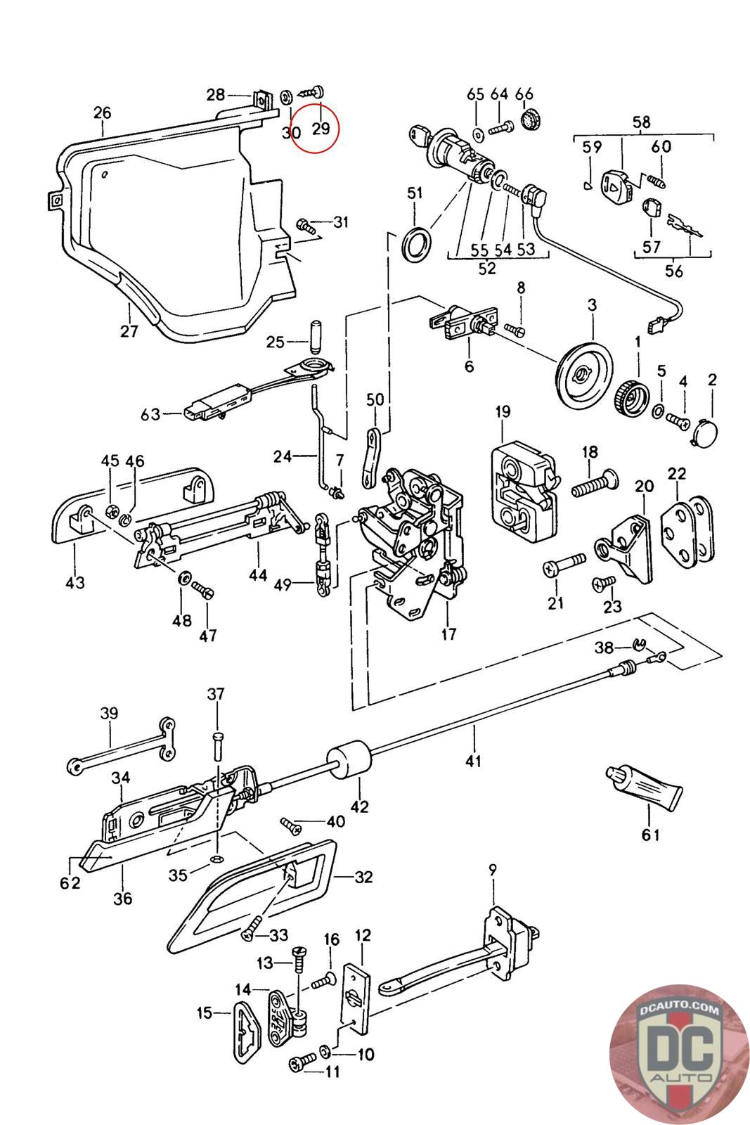
90014311802
TAPPING SCREW B 4.8X13, .
900 143 118 02
SELECT
PART NO
90014311802
DESCRIPTION
Note this is a special order item, delivery estimate 1-2 weeks.
CONDITION
NEW - GENUINE PORSCHE
MANUFACTURER
-
PRICE
$1.97
QTY
Available: 999
90014311802
Note this is a special order item, delivery estimate 1-2 weeks.
NEW - GENUINE PORSCHE
-
$
1.97
Available: 999