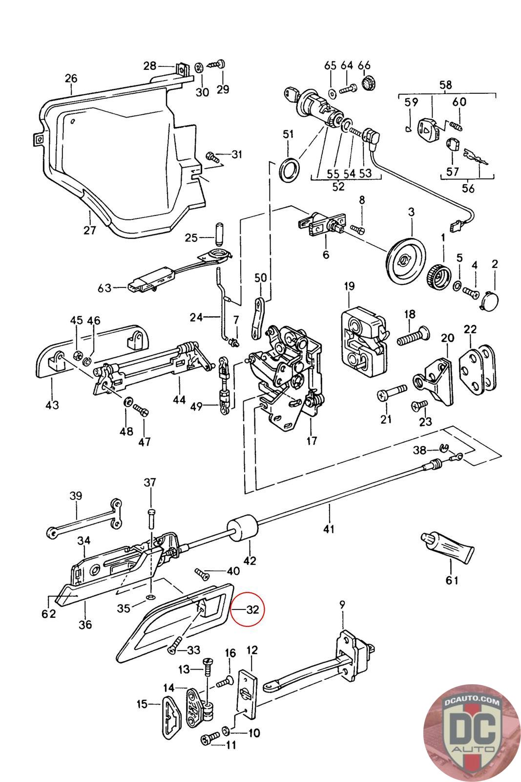
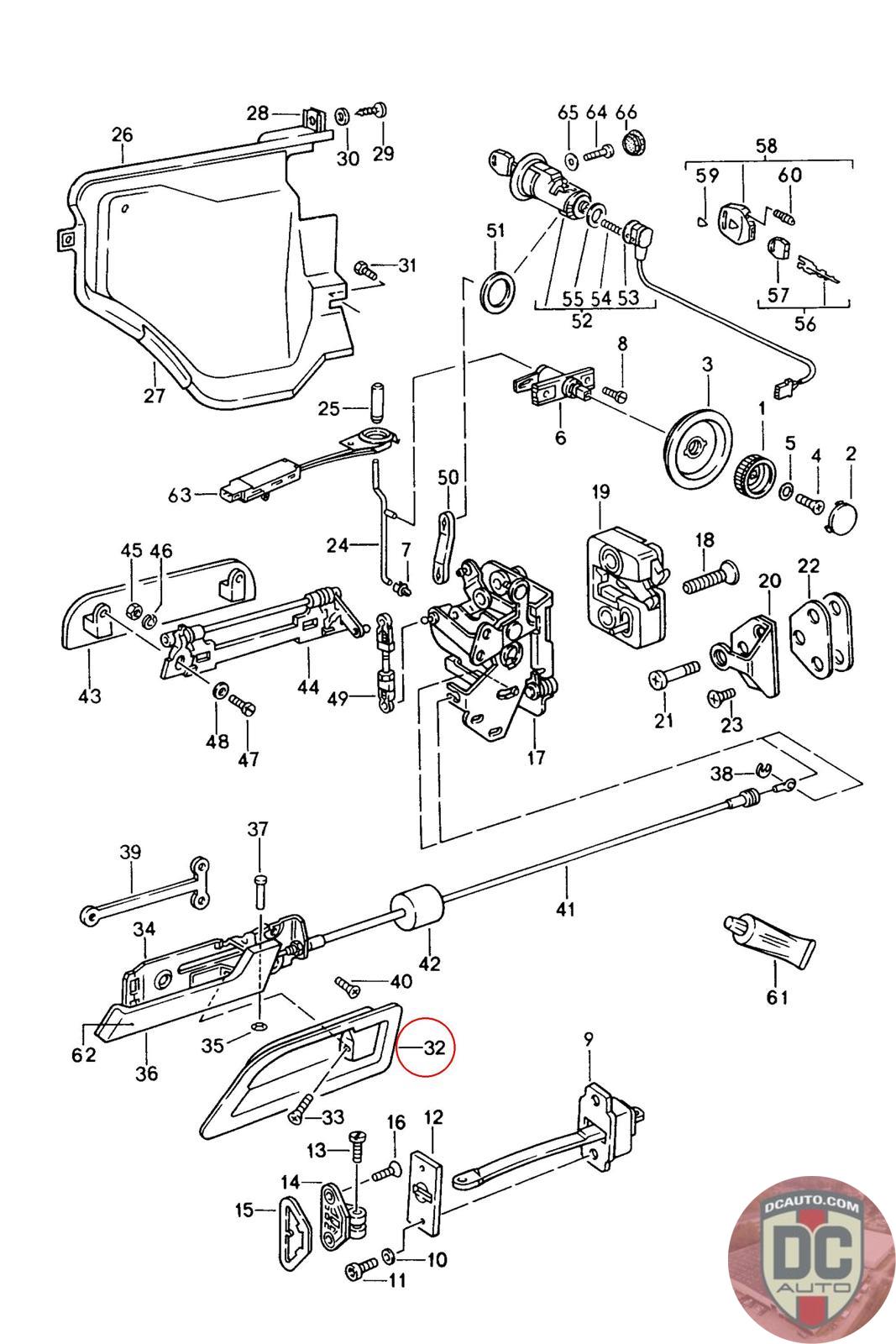
92853754602
FINGER PLATE, .
928 537 546 02 [/R]
SELECT
PART NO
92853754602
DESCRIPTION
Note this is a special order item, delivery estimate 1-2 weeks.
CONDITION
NEW - GENUINE PORSCHE
MANUFACTURER
-
PRICE
$7.97
OUT OF STOCK
92853754602
Note this is a special order item, delivery estimate 1-2 weeks.
NEW - GENUINE PORSCHE
-
$
7.97
Available: 0
SELECT
SERIAL #
80029
DESCRIPTION
Good - Used -
CONDITION
USED - A
MILEAGE
78104
80029
Good - Used -
USED - A
78104
$
3.00
On Sale! $4.00
SEE MORE VEHICLE PHOTOS
Available: 1
SELECT
SERIAL #
79445
DESCRIPTION
Good - Used
CONDITION
USED - A
MILEAGE
162411
79445
Good - Used
USED - A
162411
$
3.00
On Sale! $4.00
SEE MORE VEHICLE PHOTOS
Available: 1