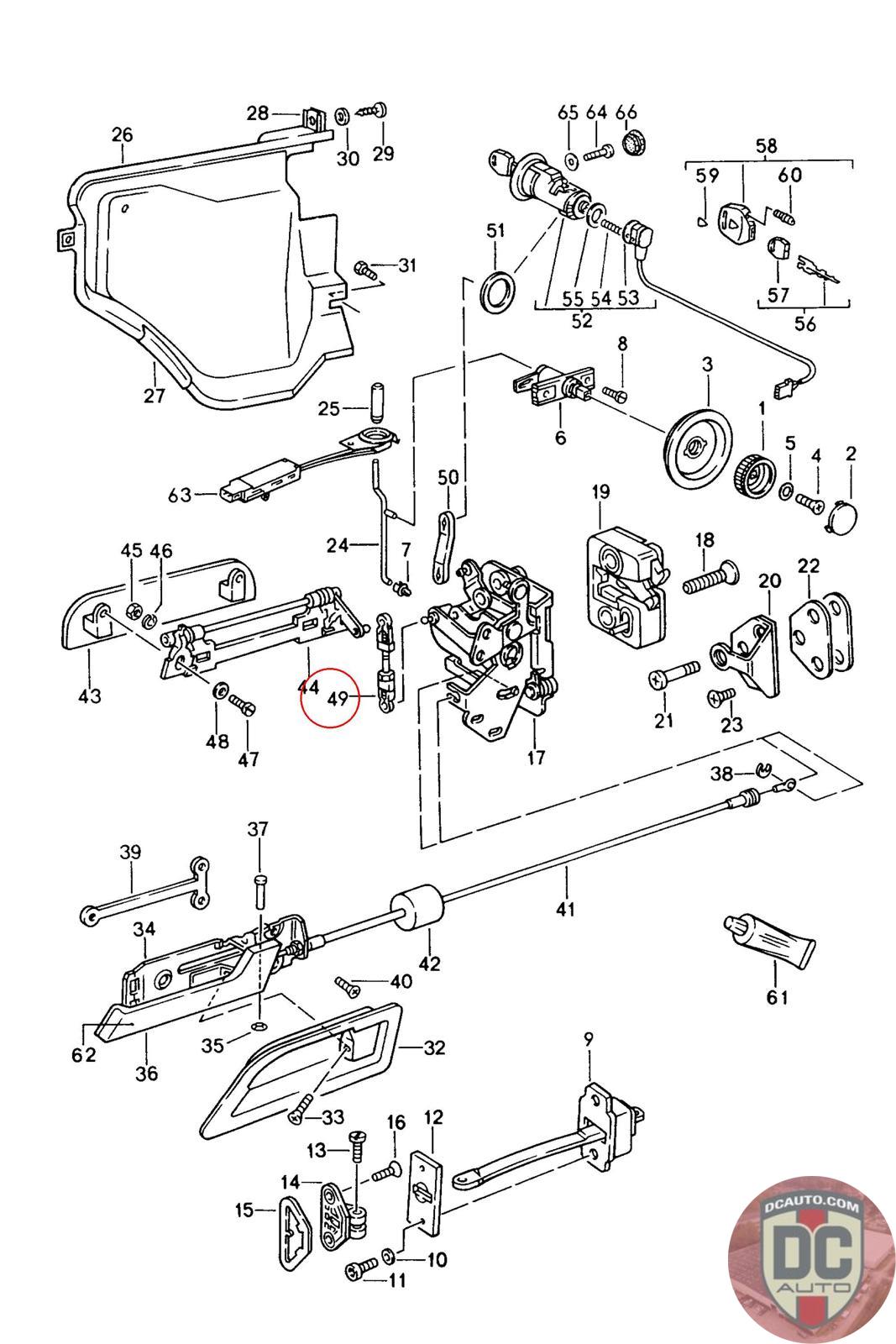
92853714003
CONNECTING ROD
928 537 140 03
SELECT
SERIAL #
61730
DESCRIPTION
-
CONDITION
USED - X
MILEAGE
-
61730
-
USED - X
-