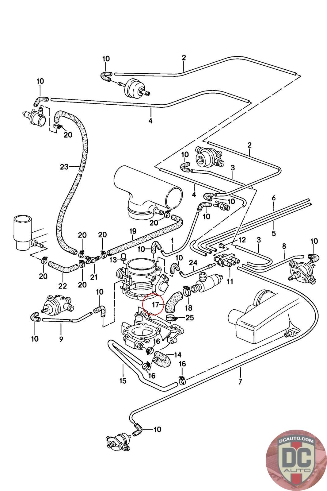
92811044205
HOSE ELBOW, .
928 110 442 05
SELECT
PART NO
92811044205
DESCRIPTION
Note this is a special order item, delivery estimate 1-2 weeks.
CONDITION
NEW - GENUINE PORSCHE
MANUFACTURER
-
PRICE
$14.97
QTY
Available: 999
92811044205
Note this is a special order item, delivery estimate 1-2 weeks.
NEW - GENUINE PORSCHE
-
$
14.97
Available: 999