92834721307
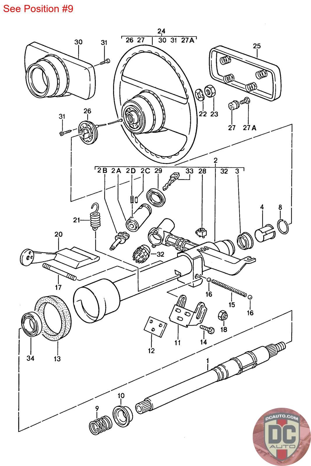
COMPRESSION SPRING
928 347 213 07
SELECT
PART NO
92834721307
DESCRIPTION
Note this is a special order item, delivery estimate 1-2 weeks.
CONDITION
NEW - GENUINE PORSCHE
MANUFACTURER
-
PRICE
$5.97
QTY
Available: 999
92834721307
Note this is a special order item, delivery estimate 1-2 weeks.
NEW - GENUINE PORSCHE
-
$
5.97
Available: 999