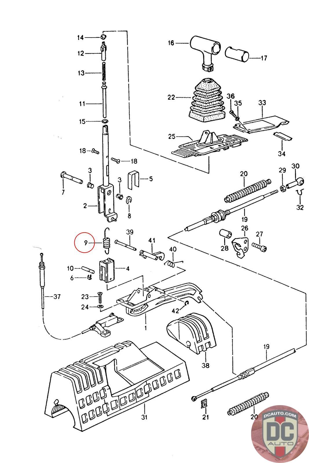
92842616801
TENSION SPRING
928 426 168 01
SELECT
PART NO
92842616801
DESCRIPTION
Note this is a special order item, delivery estimate 1-2 weeks.
CONDITION
NEW - GENUINE PORSCHE
MANUFACTURER
-
PRICE
$7.97
QTY
Available: 999
92842616801
Note this is a special order item, delivery estimate 1-2 weeks.
NEW - GENUINE PORSCHE
-
$
7.97
Available: 999