92842629301
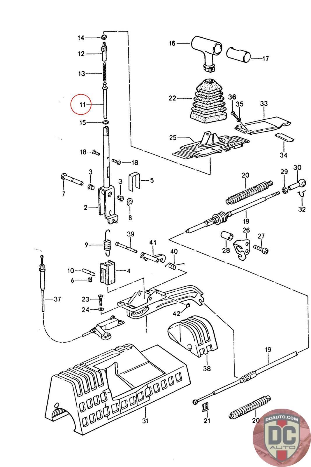
PUSH ROD
928 426 293 01
SELECT
PART NO
92842629301
DESCRIPTION
Note this is a special order item, delivery estimate 1-2 weeks.
CONDITION
NEW - GENUINE PORSCHE
MANUFACTURER
-
PRICE
$4.97
OUT OF STOCK
92842629301
Note this is a special order item, delivery estimate 1-2 weeks.
NEW - GENUINE PORSCHE
-
$
4.97
Available: 0