92842442301
SUPPORT
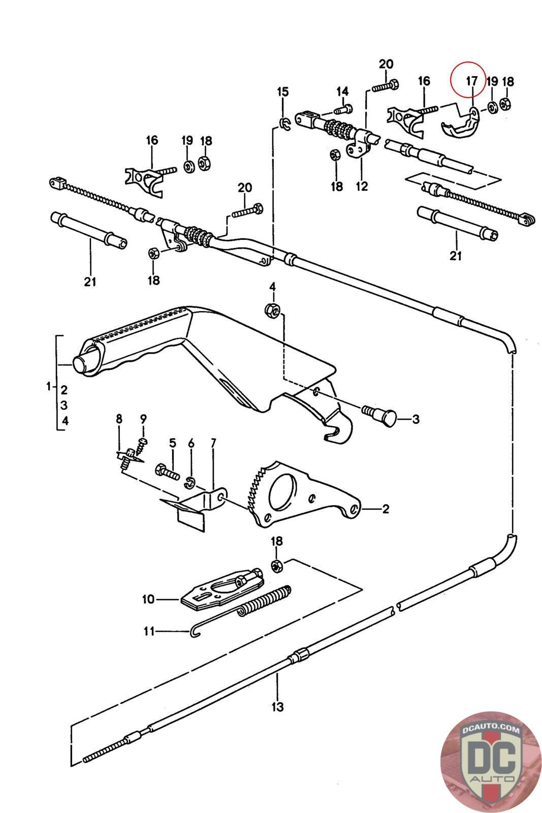
928 424 423 01
SELECT
PART NO
92842442301
DESCRIPTION
Note this is a special order item, delivery estimate 1-2 weeks.
CONDITION
NEW - GENUINE PORSCHE
MANUFACTURER
-
PRICE
$19.97
OUT OF STOCK
92842442301
Note this is a special order item, delivery estimate 1-2 weeks.
NEW - GENUINE PORSCHE
-
$
19.97
Available: 0